Share on (10000003969215):
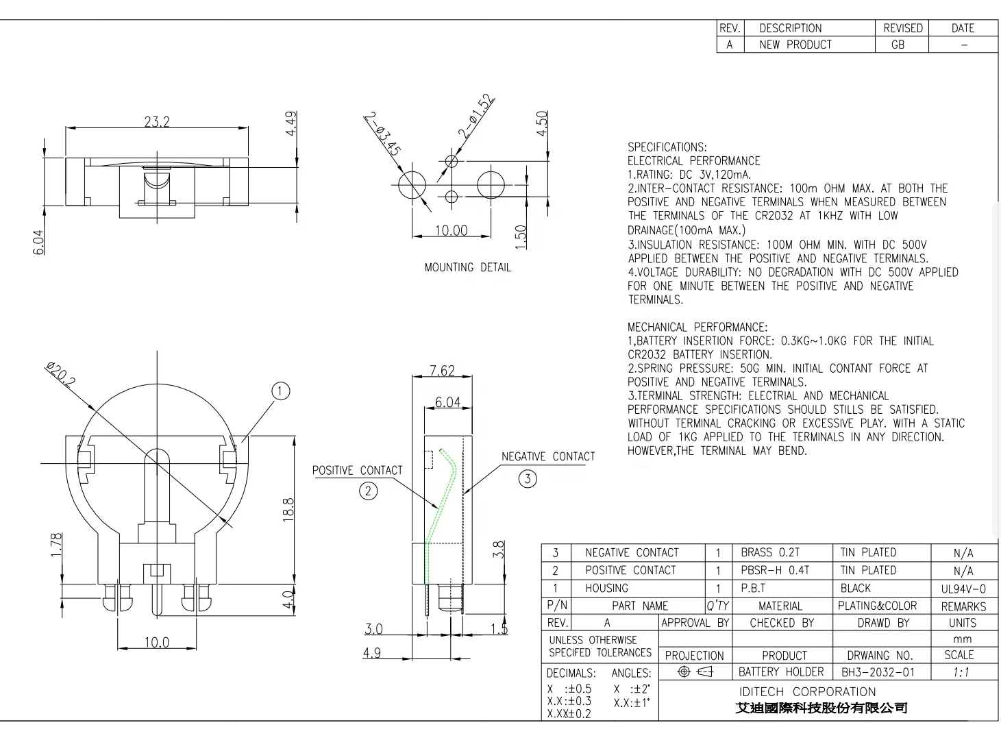
Model | BH3-2032-01 |
Place of origin | TAIWAN |
SPECIFICATIONS RATING | DC3V,120mA |
COLOR | Black |
Housing Material | PBT |
Positive contact | PHOSPHOR BRONZE |
Negative contact | BRASS |
certification | ROHS |






New products from manufacturers at wholesale prices