Share on (10000007211938):
MTL.02.17AT 100X-1000X Trinocular Inverted Metallurgical Microscope
Description
MTL.02.17AT is an inverted metallurgical microscope. This microscope has a standard magnification range of 100X-1000X (1600X and 2000X can be reached with optional eyepieces and objectives). It comes with wide field eyepieces, long working distance plan achromatic objectives, mechanical stage, coaxial coarse and fine focusing system, and halogen lamp reflected illumination. This microscope is an ideal microscope for the research of metallography, mineralogy, integrated circuits, semiconductor chips, micro-electronics, and electronics research.
Key Features
• Plan achromatic objectives with long working distance (no cover glass)
• Coaxial coarse/fine focusing system with tension adjustable and up stop
• 6V 20W halogen lamp with brightness control
Specification
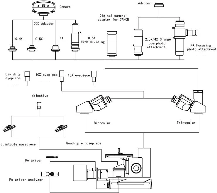
Eyepiece | Wide field WF10X(Φ18mm) |
Objective | Plan achromatic objectives with long working distance (no cover glass) PLL10X/0.25 |
Plan achromatic objectives with long working distance (no cover glass) PLL20X/0.40 | |
Plan achromatic objectives with long working distance (no cover glass) PLL40X/0.60 | |
Plan achromatic objectives with long working distance (no cover glass) PLL100X/1.25(Spring, oil) | |
Eyepieces tube | Trinocular, 30 degree inclined |
Filter | Frosted filter, Blue filter, Green filter, Yellow filter |
Focus system | Coaxial coarse/fine focus system, with tensional adjustable and up stop, minimum division of fine focusing: 2μm. |
Nosepiece | Quadruple(Ball bearing inner locating) |
Stage | Double layer mechanical (Size:180mmX150mm,moving range:15mmX15mm) |
Illumination unit | 6V 20W halogen lamp, brightness control. |
Optional Accessory
Eyepiece | Wide field WF16X(Φ11mm) |
Dividing 10X(Φ18mm) 0.1mm/Div | |
Objective | Plan achromatic objectives with long working distance (no cover glass) PLL 60X/0.75(Spring) |
Plan achromatic objectives with long working distance (no cover glass) PLL 100X/0.85 (Spring) | |
Achromatic objectives(no cover glass) 60X/0.85 | |
Nosepiece | Quintuple(Ball bearing inner locating) |
CCD adapter | 0.4X |
0.5X | |
1X | |
0.5X with dividing 0.1mm/Div | |
Photo unit | 2.5X/4X Change over photograph attachment with 10X viewing eyepiece |
Digital camera adapter | CANON(A610,A620,A630,A640) |




View more products, please visit our website:
//www.ningbomicroscope.com/
New products from manufacturers at wholesale prices