Share on (10000008839180):









System parameters | System parameters | |
Rated input wire voltage | 3 8 0 V(-1 5%~+2 0%) | |
Grid frequency | 5 0 / 6 0 H z ( r a n g e : 4 5 H z~6 2 H z) | |
Number of parallel machines | 1 ~ 1 0 s e t s | |
Overall efficiency | ≥9 7% | |
Grid structure | T h r e e - p h a s e t h r e e - w i r e / t h r e e - p h a s e f o u r - w i r e | |
Current transformer | 1 5 0/5~1 0 0 0 0/5 | |
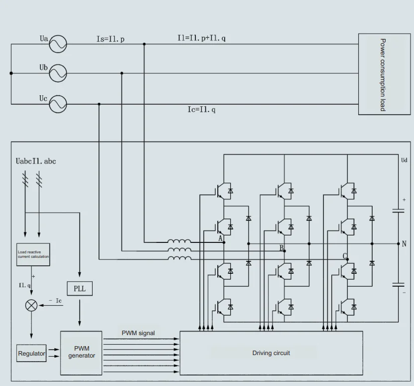
Circuit topology | T r i - l e v e l | |
P e r f o r m a n c e i n d e x | ||
Response time | <1 5 m s | |
Scope of compensation | F r o m - 1 t o 1 , c a p a c i t i v e a n d i n d u c t i v e c o n t i n u i t y i s a d j u s t a b l e | |
Cooling mode | I n t e l l i g e n t a i r c o o l i n g | |
Noise index | <5 6 d B | |






New products from manufacturers at wholesale prices