Share on (10000013269208):















item | value |
Condition | New |
Warranty | 1.5 years |
Applicable Industries | Building Material Shops, Manufacturing Plant, Machinery Repair Shops, Printing Shops, Energy & Mining, Food & Beverage Shops, Advertising Company |
Weight (KG) | 2 |
Showroom Location | None |
Video outgoing-inspection | Provided |
Machinery Test Report | Provided |
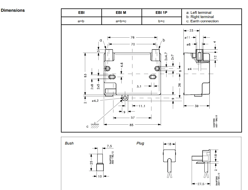
Place of Origin | Denmark |
Type | Gas Burner |
Product name | OR EBI 1P =052F0040 11kv 50mA High Voltage Burner Boiler Ignition Transformer |
Model | EBI 1P =052F0040 |
Brand | Danfoss |
Color | Black |
Power supply | 230 V 0.25A 50/60 Hz |
Ambient temperature | -10°C to +60°C |
After Warranty Service | Video Technical Support |
Application/Usage | Gas Burners Industrial Accessories |
ED in 3 minutes (cutting in) | 33% |
Short circuit current | 50 mA (rms) |






New products from manufacturers at wholesale prices