Share on (1008014285):
Features and applications
80Ton pressure die casting machine for copper
1.80T Cold Chamber Casting Machine
2.Suitable for aluminum, zinc and copper alloy
3.Computer-programmed
4.4-rod pilot elastic framework for excellent rigidity
5.3-step hydraulic boosting and injection system
6.Efficiency: maximum injection rate over 4m/s
7.Minimum boosting time less than 30ms
This pressure die casting machine for copper is widely used for mass production of foundry goods made of nonferrous metal such as aluminum, zinc and copper in industries of automobiles, motorcycles, meters and instruments, hardware and military supplies.
computer-programmed control; hydraulic drive; crank expanding structure;4-rod pilot elastic stress framework; locking that is tensile, faster and reliable; hydraulic boosting and injecting system that is constant and effective; accumulator and injection framework are compose alone; injection rate over 4M/s, and minimum boosting time less than 30ms.
The die casting machine is superior in performance high in productivity and smooth in operation. It is advantageous in technology in China.
SUBJECT | UNIT | J118A | ||
Die lock force | kN | 900 | ||
Size of moving platen (HXV) | mm | 560X600 | ||
Inner space between bars(HXV) | mm | 360X360 | ||
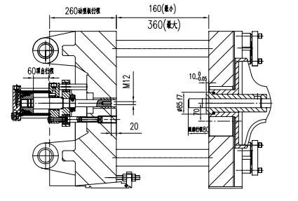
Thickness of die block(Min./Max.) | mm | 160/360 | ||
Stroke of moving platen | mm | 260 | ||
Ejection stroke | mm | 60 | ||
Ejection force | kN | 60 | ||
Injection force | kN | 100 | ||
Injection stroke | mm | 282 | ||
Diameter of shot sleeve | mm | 35 | 40 | / |
Fluid metal dosage per shot(AL) | kg | 0.6 | ||
Injection pressure (Min.~Max.) | MPa | 57~94 | ||
projecting area of casting | cm2 | 67~110 | ||
Dry cycle | s | 5 | ||
Pipe line pressure | MPa | 10.5 | ||
Motor power | kW | 11 | ||
Machine weight | kg | 3500 | ||
Overall dimensions(LXWXH) | mm | 3970X1050X2100 | ||
J118A 80ton pressure die casting machine for copper is also suitable for aluminum or zinc alloy, which is equiped with Mitsubishi PLC .



About Us



If you want to know more information, pls contact us without hesitate.
New products from manufacturers at wholesale prices