Share on (11000006908420):
NIDE develops and produces various commutators, collectors, slip rings, copper heads, etc. for global customers. Our products are widely used in various electric tools, household cars, trucks, industrial cars, motorcycles, household appliances and other motors. And the commutator can be customized and developed according to the special specifications of customers.
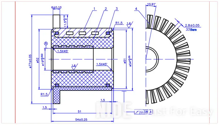
Commutator Parameters
| Product name: | DC motor rotor commutator |
| Material: | Copper |
| Dimensions: | 19*54*51 or Customized |
| Type: | slot commutator |
| Temperature control range: | 380 (℃) |
| Working current: | 380 (A) |
| Working voltage: | 220 (V) |
| Applicable motor power: | 220, 380 (kw) |
| Application: | Automotive starter commutator |
Commutator Picture




Product advantages:
High dielectric strength between chips,
no breakdown or flicker occurs;
insulation resistance ≥ 100MΩ,
AC frequency at 50HZ / 60HZ,
excellent electrical and mechanical properties,
stable structure,
high dimensional accuracy,
small uniform angular error of commutator,
high product hardness ,
Good abrasion resistance,
high tensile strength,
stable thermal performance and long service life.




NIDE can supply the full range of electric motor components such as commutator, ball bearing, thermal protector, carbon brush, insulation paper, shaft, magnet, fan, motor cover,etc.

Q: Are you trading company or manufacturer ?
A:We are a manufacturer
Q: Do you provide samples ? is it free or extra ?
A:There are many kinds of products in our company. Samples should be sent according to the types of products and negotiated with customers.
Q. Can you produce according to the samples?
A: Yes, we can produce by your samples or technical drawings. We can build the molds and fixtures.
Q. Do you test all your goods before delivery?
A: Yes, we have 100% test before delivery
Q: How do you make our business long-term and good relationship?
1. We keep good quality and competitive price to ensure our customers benefit ;
2. We respect every customer as our friend and we sincerely do business and make friends with them, no matter where they come from.
New products from manufacturers at wholesale prices