Share on (1100009917838):

| Спецификация (EWX6000) | ||
| Тяговое усилие | 6000 фунтов (2722kgs) | |
Мотор: постоянный магнит | 12 В: Вход: 2.8 кВт/3.7hp; Выход: 1. 6 кВт/2.1hp | |
Передаточное отношение | 280: 1 | |
Кабель (dia. × l) | Ø9/32 "×105 '(ø7. 2 мм × 32 м) | |
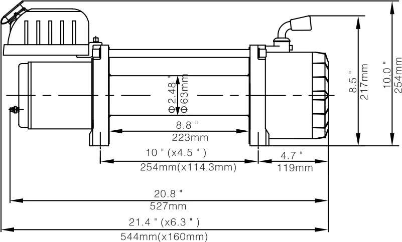
Барабан Размер (диаметр × l) | Ø2. 48 "× 8.8" (ø63mm×223 мм) | |
Крепежный болт узор | 10 "× 4.5" (254 мм × 114.3 мм) 4-M10 | |
Товар | EWX6000U | EWX6000S |
Габаритные размеры | 21.4 "× 6.3" × 10.0" | 20.8 "× 6.3" × 11.1" |
Вес нетто | 66.1/30.0 | 67.2/30.5 |
| Pull, скорость, ампер, вольт (первый слой): | ||||
| Тяговое усилие | Скорость линии футов/мин (м/мин) | Ток | ||
IBS (кг) | 12 В DC | 24 В DC | 12 В DC | 24 В DC |
0 | 12.8 (3.9) | 14.1 (4.3) | 45 | 30 |
2000 (907) | 8.2 (2.5) | 8.8 (2.7) | 100 | 45 |
4000 (1814) | 7.2 (2.2) | 7.9 (2.4) | 150 | 80 |
6000 (2722) | 5.9 (1.8) | 6.9 (2.1) | 230 | 120 |
| Тяговое усилие и веревки емкость в слой | ||
| Слой | Тяговое усилие фунтов (кг) | Всего Веревка на барабан футов (м) |
1 | 6000 (2722) | 22.0 (6.7) |
2 | 4979 (2258) | 47.9 (14.6) |
3 | 4255 (1930) | 77.1 (23.5) |
4 | 3714 (1685) | 105.0 (32.0) |










New products from manufacturers at wholesale prices