Share on (1100009920170):

Прямые поставки завода Высокое качество Электромагнитная клатч тормоз
Электромагнитная муфта и тормоз блок Основные характеристики (ДРМ)
1. с подкладкой безасбестовые, делает продукт не легко носить и длится долго.
2. старт, стоп, высокочастотные операции, позиционирование.
3. супер тонкий предназначен не занимает много места, вход со стороны на маховика и рукав выход при передаче голенище легко для установки.
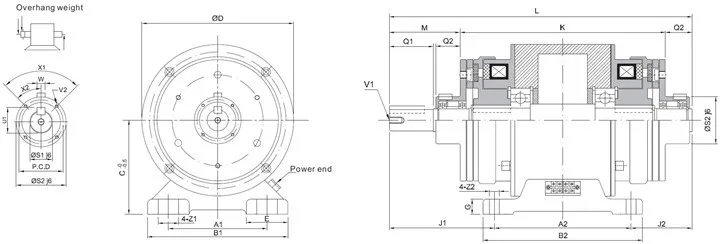
Электромагнитная муфта и тормоз блок данных:

| Модель | FMT-006 | FMT-015 | FMT-025 | FMT-050 | FMT-100 | FMT-200 | FMT-400 | |
| Статический момент [кгсм] (N-m) | 0.6 (6) | 1.5 (15) | 2.5 (25) | 5.0 (50) | 10 (100) | 20 (200) | 40 (400) | |
| Динамический момент [кгсм] (N-m) | 0.5 (5) | 1.0 (10) | 2.0 (20) | 4.0 (40) | 8 (80) | 16 (160) | 32 (320) | |
| Мощность [DC24V] (w) at20 ° С | 11 | 15 | 20 | 25 | 35 | 45 | 60 | |
| Свес вес (кг) | 14 | 25 | 45 | 70 | 100 | 180 | 260 | |
| Вес (кг) | 1.5 | 2.7 | 5.5 | 9.6 | 18.5 | 35 | 64 | |
| Максимальная скорость (г/мин) | 1800 об/мин | |||||||
| RADIUS | A2 | 75 | 90 | 110 | 135 | 160 | 200 | 240 |
| B2 | 95 | 105 | 130 | 160 | 185 | 230 | 270 | |
| G | 10 | 10 | 12 | 15 | 15 | 18 | 20 | |
| J1 | 65.5 | 78.5 | 98 | 121 | 149 | 187 | 238 | |
| J2 | 40.5 | 40.5 | 62 | 74 | 90 | 117 | 154 | |
| K | 111.5 | 133 | 162 | 193 | 232 | 290 | 350 | |
| L | 181 | 217 | 266 | 327 | 397 | 492 | 603 | |
| М | 46.5 | 56.5 | 72 | 92 | 113 | 142 | 183 | |
| Q1 | 25 | 30 | 40 | 50 | 60 | 80 | 110 | |
| Q2 | 20 | 25 | 30 | 40 | 50 | 60 | 70 | |
| V1 | M4 * 0.7 P * 8L | M6 * 1 P * 11L | M10 * 1.5 P * 17L | |||||
| Z2 | 6.5 | 6.5 | 9 | 11 | 11 | 14 | 14 | |
| Голенище | A1 | 52.5 | 65 | 80 | 105 | 135 | 155 | 195 |
| B1 | 80 | 90 | 110 | 140 | 175 | 200 | 240 | |
| C | 55 | 65 | 80 | 90 | 112 | 132 | 160 | |
| D | 80 | 100 | 125 | 150 | 190 | 230 | 290 | |
| E | 27.5 | 27.5 | 32 | 35 | 42 | 45 | 47 | |
| F | 57 | 60 | 68 | 81 | 97 | 110 | 129 | |
| N | 33 | 37 | 49 | 56 | 65 | 79 | 101.5 | |
| S1 | 11 | 14 | 19 | 24 | 28 | 38 | 42 | |
| S2 | 38 | 45 | 55 | 64 | 75 | 90 | 115 | |
| U1 | 12.5 | 16 | 21 | 27 | 31 | 41.5 | 45.5 | |
| U2 | 39.5 | 47 | 57 | 67 | 78 | 93.5 | 118.5 | |
| V2 | M4 * 0.7 P * 6L | M4 * 0.7 P * 8L | M6 * 1 P * 12L | |||||
| W | 4 | 5 | 7 | 10 | 12 | |||
| X1 | 3-120 ° | 4-90 ° | 8-45 ° | |||||
| X2 | 60 ° | 45 ° | 22.5 ° | |||||
| Z1 | 13.5 | 13.5 | 15 | 20 | 24 | 28 | 28 | |


* Системы печати: конвейеры и в-кормушки
* Дерево-рабочих систем: пилы, древесины-Рабочая машина, ламинаторы
* Офисное оборудование: электронная копия машины, калькуляторы, факсы, счетчики монет, принтеры
* Тестирование системы: Лаборатория машин, долговечность тестеры, систем измерения
* Системы пищевой: машины для резки мяса, Cookie Машины, консервирование машины, машины для изготовления лапши
* Другие: редукторы скорости, Гальваника машины, физики и химии машин, бумагоделательной машины, для обработки целлюлозы машин.
Все еще, о вашем порошок тормоз, порошок сцепления, голенище или безопасности патроны, напряжение контроллеры? И ищет доступные и прочный те с гарантией?
Вы пришли в нужное место!
Создана в 2003 году и расположен в городе Дунгуань,Восхода солнца industrial co LtdЯвляется профессиональный производитель и торговец порошок клатчи, тормоза, электромагнитные муфты, электромагнитные тормоза, air клатчи, тормоза, воздушные шахты, безопасность патроны, ролики и напряжение контроллеров. Вы Name It, мы специализируемся в нем!

Из-за положительный имидж и качество продукции,Восхода солнца industrial co LtdОбрели большую долю рынка, наряду с продукты продаются более чем в 30 странах и регионах, включая США, Мексика, Колумбия, немецкий, Великобритании, Австралии, Италии, Испании, Португалии, Россия, Корея, малайзии и стран Восточной Европы и т. д ..



1.Когда я могу получить цитаты?
Мы обычно указаны в течение 24 часов после получения вашего запроса. Если вы очень срочно, чтобы получить цена, пожалуйста, позвоните нам или сообщите нам в вашей электронной почте, так что мы можете рассматривать ваш запрос приоритет.
2.Как я должен разместить заказ?
Пожалуйста, дайте нам знать Номер модели на основе наши спецификации для порошка клатч, порошок тормоза, air клатч, воздушный тормоз, электромагнитные муфты, электромагнитного тормоза и патроны безопасности. Для вала воздуха и ролик, пожалуйста, покажите нам ваш рисунок, или сообщите нам ваш запрос, а затем мы предоставим вам чертеж для подтверждения.
3.Какой ваш moq основе?
Обычно, мы не имеем запрос moq, кроме роликов.
4.Что о время для производства?
Честно говоря, это зависит от количества заказа и тип нашей продукции. Для порошка клатч, порошок тормоза, регулятор напряжения, нагрузки и положения края контроллер, который составляет около 3-5 дней. Для безопасности патроны, воздух вала и ролик, который нужно около 15-30days.
5.Что такое срок доставки?
Мы можем организовать с exw, fob, cif... и т. д. Вы можете выбрать наиболее удобный или экономически эффективным способом.
New products from manufacturers at wholesale prices