Многослойная керамический конденсатор удвоением напряжения модуль

Share on (1100010986437):


Price:

Quantity:


Product Overview

Description


()_01.jpg

-3.jpg

Многослойный керамический конденсатор напряжения Doubler модуль

 

 

Описание продукта

 

Модуль напряжения Doubler (конденсатор высокого напряжения)-это встроенный выпрямитель напряжения, встроенный выпрямитель напряжения, который является частью всей цепи, интегрированной в устройство, из-за своей интегрированной структуры, поэтому он не подвержен вибрации, влажности, газовой коррозии, не боится пыли, масло Крестителя, Может работать в суровых условиях. Идеально подходит для использования в фотомультипликаторах, ионизации камер и аналогичных стабильных выпрямителях постоянного напряжения, которые требуют высокого напряжения, устройства обнаружения низкой утечки.

  • Низкое тепловыделение, небольшая терпимость
  • Хорошая зарядка и разрядка производительности
  • Маленький размер, высокое напряжение
  • Разнообразная серия, множество сборочных путей
  • Стабильный электростатического потенциала

 

 

Дисплей изображения

57622.jpg2656IMG_3765_.jpg

Электрических параметров

  • Название: множительКерамической высоковольтный конденсатор
  • Частота: 1 кГц

  • Номинальное напряжение: 10 ~ 50 кв
  • Сопротивление изоляции :( ИК) ≥ 10000mΩ

  • Потеря тангента: tg ≤0..

  • Емкость: 10 ~ 103 ПФ
  • Допуск: К (± 10%)

  • Выдерживание напряжения тест: dc1.5 раз без разбивки или флашовера

Электрических параметров

 

zs.jpg

 

 

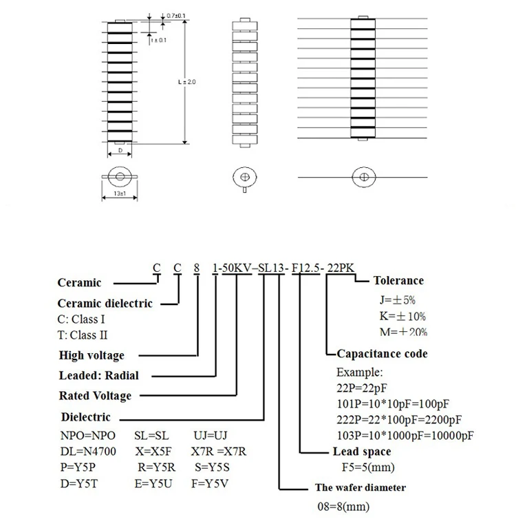
Спецификация Таблица

 

A-типовая Таблица параметров

Серия A: Усиленная, серебристая фитинги соединения между емкостью на уровне, оптимизация по линии ucture, тепло равномерно, увеличение утеплителя, хорошая надежность

Материал товараЕмкостьНоминальное напряжениеD
(Мм)
L
(Мм)
Шт/стека
CDM20KV151KB12150PF20KV6.17112
CDM10KV251KB12250PF10KV5.26612
CDM20KV331KB11330PF20KV7.86612
CDM20KV471KB12400PF20KV8.37512
CDM20KV501KB12500PF20KV8.37412
CDM30KV221KB10220PF30KV8.59110

Можно обеспечить настройку модуля, многоуровневую настройку приветствуется

 

B-Таблица параметров

B Серия: экономика, прямая Сварка между емкостью на уровне, односторонний или двусторонний вывод приводит к двум видам структуры, дешевым, экономичным и практичным l, общая длина можно регулировать в соответствии с требованиями заказчика.

Материал товараЕмкостьНоминальное напряжениеD
(Мм)
L
(Мм)
Шт/стека
CDM20KV101KA10100PF20KV5.26210
CDM20KV151KA12150PF20KV6.26012
CDM20KV251KA12250PF20KV5.25912
CDM20KV301KA12300PF20KV8.06012
CDM20KV351KA12350PF20KV6.25812
CDM20KV471KA12470PF20KV8.76312

Можно обеспечить настройку модуля, многоуровневую настройку приветствуется

 

 

Другой стиль

 

-3.jpg

 

 

Область применения

 

3.jpg

 

Подходит для электростатического распыления Doubler модуля контурного приложения и типичного ручного электростатического распылителя высокого напряжения, встроенный модуль высокого напряжения, низкого и высокого давления Anion генератор в компонентах высокого напряжения питания. Статическая система генерирования электроэнергии, станки для распыления, электростатическое фаблочное оборудование, дубль, высокочастотный дубль выпрямитель контура, основная часть многоступенчатой дефиниционной цепи, низкое питание постоянного тока высокого напряжения питания и т. д.

()_04.jpg

()_05.jpg()_06.jpg()_07.jpg

()_08.jpg()_09.jpg

 

 

 

 

 

 


0.2131 s.