Share on (1100012501488):
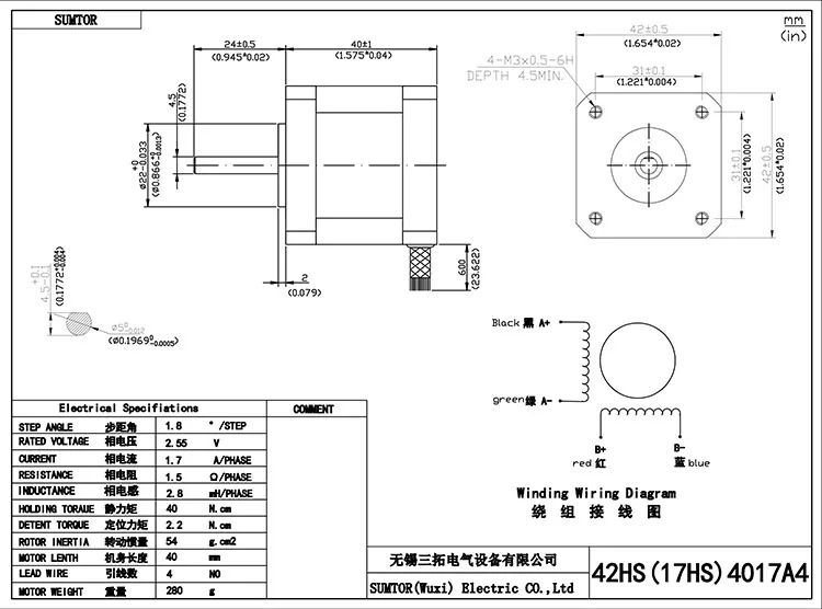
Параметры 42HS4017A4
| Электрическая спецификация | ||||||||||
| Модели серии | Шаг угол (°) | Номинальный ток (A) | Сопротивление фаза (Ω) | Индуктивность фазы (mH) | Крутящий момент (Н. см) | Detent крутящий момент (Н. см) | Инерции ротора (г. cm2) | Моторная Длина (мм) | Провод свинца (№) | Вес мотора (г) |
42HS2604A4 | 1,8 | 0,4 | 30 | 30 | 20 | 1,6 | 21,9 | 26 | 4 | 160 |
| 42HS2806A4 | 1,8 | 0,6 | 8 | 10 | 12 | 1,6 | 20 | 28 | 4 | 150 |
| 42HS3413A4 | 1,8 | 1,3 | 2,4 | 2,8 | 28 | 1,6 | 34 | 34 | 4 | 220 |
| 42HS3417A4 | 1,8 | 1,7 | 1,2 | 1,8 | 28 | 1,6 | 34 | 34 | 4 | 220 |
| 42HS3404A4 | 1,8 | 0,4 | 30 | 35 | 28 | 1,6 | 34 | 34 | 4 | 220 |
| 42HS3404A6 | 1,8 | 0,4 | 30 | 18 | 21 | 1,6 | 34 | 34 | 6 | 220 |
| 42HS3401A6 | 1,8 | 0,16 | 75 | 40 | 14 | 1,6 | 34 | 34 | 6 | 220 |
| 42HS4017A4 | 1,8 | 1,7 | 1,5 | 2,8 | 40 | 2,2 | 54 | 40 | 4 | 280 |
| 42HS4013A4 | 1,8 | 1,3 | 2,5 | 5 | 40 | 2,2 | 54 | 40 | 4 | 280 |
| 42HS4012A6 | 1,8 | 1,2 | 3,2 | 2,8 | 28 | 2,2 | 54 | 40 | 6 | 280 |
| 42HS4004A4 | 1,8 | 0,4 | 30 | 28 | 28 | 2,2 | 54 | 40 | 4 | 280 |
| 42HS4817A4 | 1,8 | 1,7 | 1,8 | 3,2 | 52 | 2,6 | 68 | 48 | 4 | 350 |
| 42HS4813A4 | 1,8 | 1,3 | 3,2 | 5,5 | 52 | 2,6 | 68 | 48 | 4 | 350 |
| 42HS4823A4 | 1,8 | 2,3 | 1,2 | 1,6 | 46 | 2,6 | 68 | 48 | 4 | 350 |
| 42HS4804A6 | 1,8 | 0,4 | 30 | 38 | 34 | 2,6 | 68 | 48 | 6 | 350 |
| 42Hs6015A4 | 1,5 | 1,5 | 4 | 9 | 70 | 3,6 | 80 | 60 | 4 | 480 |
| 42HS6315A4 | 1,8 | 1,5 | 3 | 6,5 | 79 | 4 | 85 | 63 | 4 | 500 |
| * Мы можем производить товары в соответствии с требованиями заказчика | ||||||||||
Схема 42HS4017A4

Изображение продукта 42HS4017A4






New products from manufacturers at wholesale prices