Share on (1100012906280):
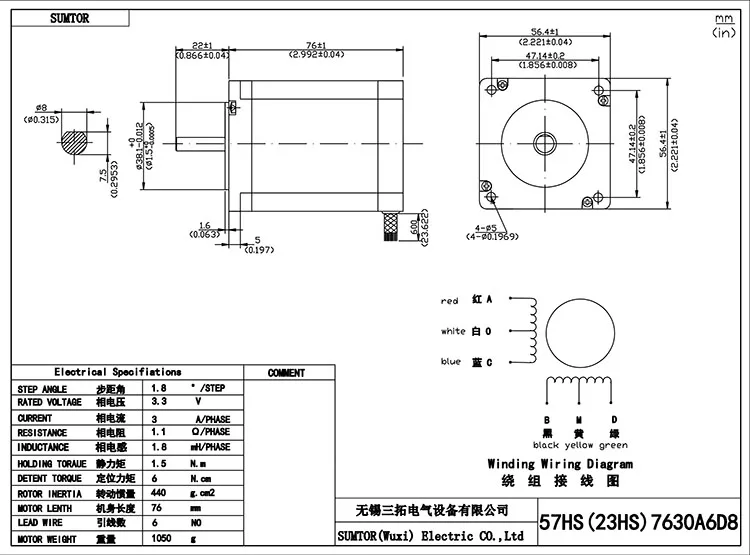
| Индуктивность | 3.5mH |
| Сопротивление | 1 |
| Рассрочка шаг отверстий | 47,14 мм |
| Лицом к лицу Размер | 56,4 мм |
| Длина оси | 21 мм |
| Диаметр вала | 6,35 мм |
| Длина тела | 76 мм |
| Режим подключения | Черный A + зеленый A-красный B + синий B- |
| Ключевые слова продукта | Триполярный шаговый мотор, крутящий момент двигателя, излишки шагового двигателя |
Основные применения: станки с ЧПУ, фрезерные станки, принтеры, гравировальные машины, кормящие машины, печатные прессы, упаковочные машины, текстильная техника и т. д.Другими словами, до тех пор, пока положение контролируется, большая часть использования является шаговый мотор.
Обмотки проводов схема
57HS7630A6D8 (76 мм длина 1.5N.m крутящий момент 3A ток)

Фотографии продукта




Стандартная упаковка коробки экспорта.
3-20 дней после подтверждения заказ, детальная дата доставки должна быть решена в соответствии с
Сезон производства и заказ.

New products from manufacturers at wholesale prices