Затвор дисковый трехэксцентриковый DN300 PN16

Share on (1100014473409):


Price:

Quantity:


Product Overview

Description


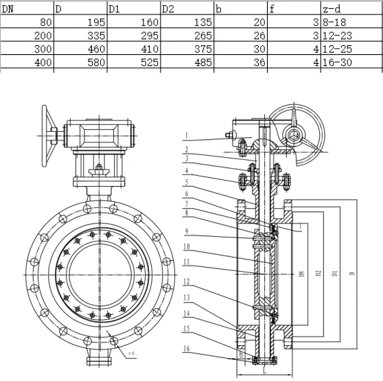
1. РЕДУКТОР

2. СТОЙКА : углеродистая сталь

3. КРЫШКА : углеродистая сталь

4. НАБИВКА САЛЬНИКА : гибкий графит

5. ВЕРХНЯЯ ВТУЛКА : CF-1

6. УПЛОТНЕНИЕ : 13Cr

7. УПЛОТНЯЮЩЕЕ КОЛЬЦО : 13Cr+XB450

8. ПРЕССОВАННАЯ ПЛАСТИНА : Q235-A

9. ШТИФТ : 2Cr13

10. ДИСК : углеродистая сталь

11. ШТОК ЗОЛОТНИКА : 2Cr13

12. ВНУТРИШЕСТИГРАННЫЙ БОЛТ : 35 #

13. КОРПУС : углеродистая сталь

14. НИЖНЯЯ ВТУЛКА : SF-1

15. КОЛЬЦО : Q235-A

16. НИЖНЯЯ КРЫШКА : 25

 

спецификации :

расчетное давление среды : PN16

испытание на прочность корпуса : 2. 4Мпа

испытание на герметичность : 1.76Мпа

испытание на герметичность сжатым воздухом : 0. 96Мпа

расчетная температура среды C° : ≤425

рабочая среда : вода, сточные воды,нефтепродукты

исполнение : фланцевое ГОСТ 33259-2015 тип 01 исп. В

герметичность: ГОСТ9544 класс А двухсторонняя


0.208 s.