Share on (1158047139):
KSD302 large current temperature protector’s Principle and structure
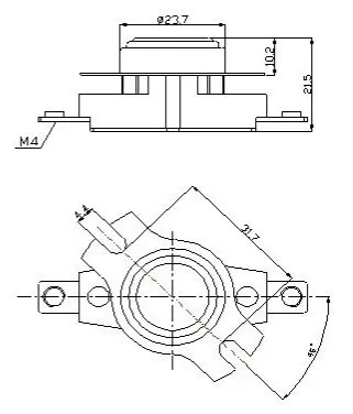
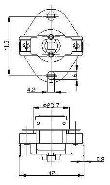
KSD302 series temperature controller, is to bring the double shell fully enclosed metal contact temperature type temperature relay, according to heat bilges cold shrink principle make sheet metal bending, to set off the temperature, temperature drop can be manually reset after, on electric up security role.
2. KSD302 large current thermostat’s specification
(1) Function: temperature protection and overheating protection, prevent dry heating
(2) The electrical characteristics: AC250V ~ 400 V / 15 A ~ 60 A
(3) the highest environment temperature: 180 °C
(4) working temperature range: 0 °C ~ 250 °C (optional). Temperature tolerance: +- 5
(5) Normal headscarf insulation resistance: > 100 M Ω
(6) normal contact resistance: more than 100 m Ω
(7) service life: > 50000 times
3. Application of KSD302 large current temperature protector
(1) Electric welding machine, electric
(2) Electric equipment,
(3) Electric products,
(4) Steam heater
(5) High power machinery equipment
(6) Demand Water Heaters
4. Attention of KSD302 large current thermostat
(1) By using the contact temperature type when installed, should make metal cap surface adhere is accused of mounting surface of the appliance.
(2) When installation shall not cover surface pressure deformation, lest affect performance.
(3) To prevent leakage, when using, can't let the fluid infiltration within the thermostat, lest affect electric reliability.
(4) This product for bipolar type wiring way, when using, according to mark symbol, correct connection.
The product should be a headscarf in relative humidity is less than 90%, the environment temperature below 40 °C ventilation, clean, dry, no corrosive gas storage in the warehouse.






New products from manufacturers at wholesale prices