Share on (1291250608):
Textile Inspection Machinery Fabric Winding Machine
-Usage:
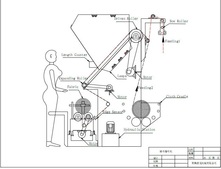
Fabric winding machine is specially designed for inspecting and rolling up all kinds of knitted,printed,cotton,towel cloth,tricot,woven cotton and woven fabrics and so on.
-Technical Paralmeters of Fabric Winding Machine:
| Rang of Fabric Working Width | 2000mm~3600mm |
| Diameter of Fabric Rolls | ≤600mm |
| Highest Speed | 80m/min |
| Power of Main Motor | 1HP*2 |
| Edge-aligning Tolerance | ±3mm |
| Dimensions | 2150mm(L)*2300mm(W)*2500mm(H) |
-Feature of fabric winding machine:
1.Fabric winding macine is equipped with spiral expanding roller to eliminate curled edge.Expanging power 1/2HP.
2.Inspecting board is made of milky color acrylic.
3.Auto-edge alignment system consists of edge sensor and hydraulic station made in Taiwan is adopted.Power 1/2HP.
4.Working speed of main motor is managed by two inverters and easy to control by the button on control panel.
5.Digital counter could make accurate measurement of length in yards or meters which can be interchanged.
6.Winding roller and feeding roller are driven by gear motors,or can add a moblie cloth tank.
7.Fabric winding machine is special designed lopping inspecting board which is near to operator makes it easier to label or mend fabrics.
8.High speed reaches 80m/min.
9.Various options of fabric input & output
-Schematic Drawing

-Certification

Main part of fabric winding machine










About us


Welcome to inquiry Textile Inspection Machinery Fabric Winding Machine!
You are warmly welcome to visit our factory!
New products from manufacturers at wholesale prices