farm tractor use clutch assy fit yto 904 1004 H100 300A

Share on (1600058972418):


Price:$120.00 - $135.00

Quantity:


Product Overview

Description























































tractor_900.jpg

Fit YTO tractor 70/80 series : 704/754/804/854


 


tractor which you want to walk through smoothly, so you need an excellent and stable transmission system include the clutch,bearing and shaft,that is also what we work hard to deliver,a reliable matchful clutch can enchance the power of the work and make it easier and comfortable


 


 


 

Clutch Disc



1: The clutch disc


 


  The clutch disc comprises friction pad,base disc and spline,they were composed together by several rivets,the base disc is the craft of other parts,usually the material is the steel,the pad take the key role for taking the shaft to rotate together by pressing upon the clutch assembly through the level,usually it have 3 types: Asbestos,no asbestos or organic,Cerametallic or copper base,the first is cheap,but it is out of date for some harms to the enviroment,the second is popular and cheaper than cerametallic, the last have better resistence character but more expensive,the spline is the holder of shaft,it should be strengthen and hard,if not,some spline worn will cause the disc being twisted whereas resulting to some bad damage


Two types of the disc: Main and PTO


    











1216.jpg

              Main   


OEM no:   


OD.: 310mm       Hub:   40*45


Spline: 16          Spring: 6


Thickness: 10.5    Weight: 3.4Kg


Friction material:  Cerametallic


1210.png

              PTO


OEM no:     


OD.: 310mm        Hub: 24*28


Spline: 10            Thickness: 8.5


Friction material:    Cerametallic


Weight: 2.6Kg



 

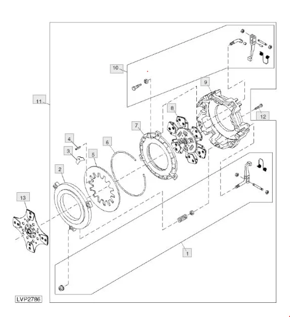
Clutch Assembly



 


 


 


The clutch transfer the power coming from the engine to the transmission system thus to drive the move of the vehicle and do the work through PTO,it was installed on the clutch housing borddered with the flywheel,as one of the key part of the tractor,it play an importation role in the work and walk of the tractor,by the levels of the clutch,the control pedal can engage and disengage the pressure plate of the assembly,when the pedal on,it will cut off the transmission,contrast on,it will get the power,some elements can influence the show of it


 


What is the good clutch?


Well matching the transimssion system of YTO
Cerametallic pad has better resistence character
Damping spring to reduce the impact of engaging
Reliable and long cooperation supplier ensure the final assembly and nice price


 



12_.jpg


 


 





















OEM no: 
Level:6
Weight:36Kg
Size:35*35*11cm

 

Spare parts
















 12inch_pressplate_main.jpg

The pressure plate


 


Usually,the clutch assembly will have two pressure plate,one for the main disc,one for the pto or assistance disc,the first one transfer the power to the walking system,the later one to the working system,when it press the disc tightly,it will force the disc rotate synchronizely with the flywheel so as to transfer the power to the gearshaft,so it will also bear the abrasion force,for this it should also have the better resistence character and smoothy surface also


 

The Belleville washer


 


The belleville washer was set between these two discs for the media of the force when the pedal push or pull the level,it needs the high resistence and relastic feature


bellevillewasher_12.jpg

 

Clutch kits and housing














rod_seperater_main_12.jpg

The clutch kits


 


It include the level,torque spring and the stud,pin,the level connect with the pressure plate and by the pull and push of the sleeve on the shaft,it will take the pressure plate to move on so as to press the disc then do the operation of engage and disengage,the torque spring of the level take the role of resetting the level to the rest position


clutch_spring_torque_12.jpg

R185288.jpg


The housing is the place for contain the parts,it is the cast iron


It should be designed accordance to the engine and especially to the transmission system like the thrust bearing,gear shaft and the sleeve whereas make it can be well matchful


 



jd_11.PNGjd-pro_catalog.jpg
 

The reason for us


The abilities of one of the top 5 manufacturer in China
Skillful worker and long experience in this field for presenting the cost-effecient and qualitified product
In North and Middle America,South-east Asia,We have set the footprint
Excellent facilities of tractor industry and transportation position


 


logistic.jpg


 



0.199 s.