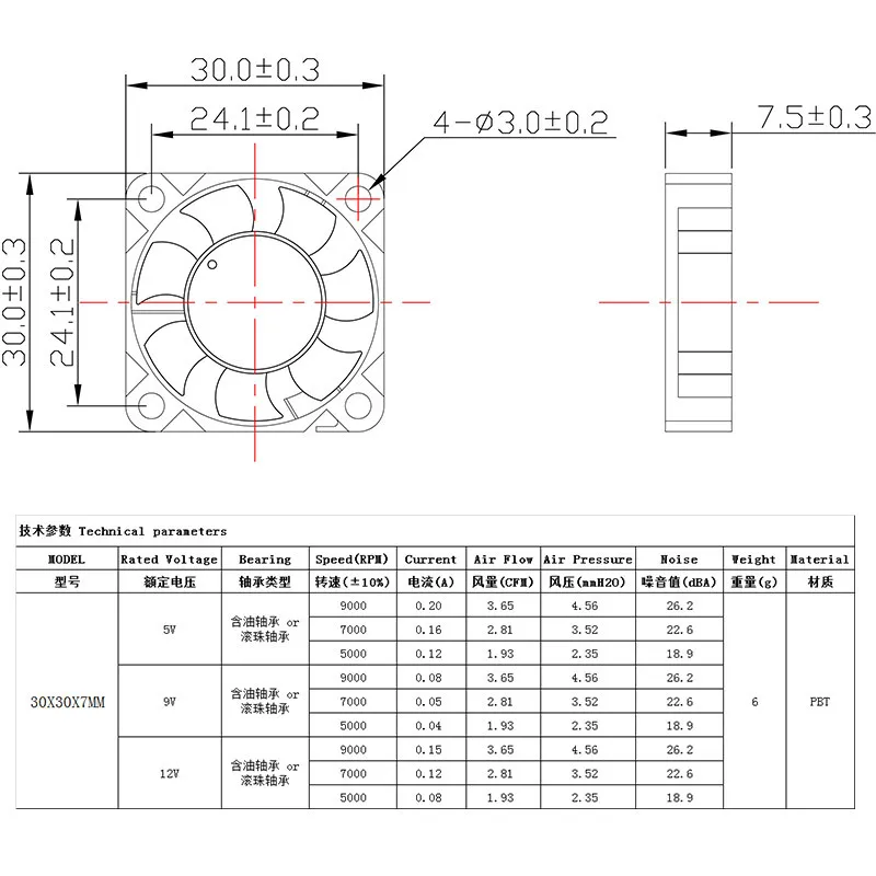
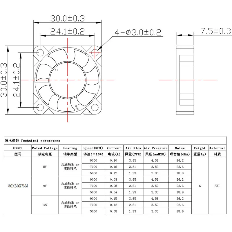
Share on (1600063263129):




Air volume and pressure:
There are two methods for measuring air volume and pressure, one is using a wind tunnel test, and the other is using a double box method. But for the average user, there is no such device. It can only be based on the data provided by the manufacturer as a reference, and ultimately depends on the cooling effect.
Air volume: Air volume refers to the product of the plane speed of the ventilation area of the fan. The ventilation area is the exit area minus the projected area at the tongue. Plane velocity is the velocity of gas moving through the entire plane in m3 / s. When the plane speed is constant, the larger the outer diameter of the fan impeller, the larger the ventilation area, and the larger the air volume. Plane speed is determined by the speed and wind pressure of the rotor. When the ventilation area is constant, the greater the plane speed, the greater the air volume. The greater the amount of air, the greater the heat absorbed by the air. When the air flows and transfers, it can carry more heat around it, and the more obvious the fan heat effect is.
Wind pressure: For normal ventilation, the resistance in the ventilation stroke of the fan must be overcome. The fan must generate pressure to overcome the resistance of the air supply. The measured pressure change is called static pressure, which is the differential pressure between the maximum static pressure and atmospheric pressure. It is the pressure of the gas acting parallel to the surface of the object, and the static pressure is measured through a hole perpendicular to its surface. The conversion of the kinetic energy required in the gas flow into a form of pressure is called dynamic pressure.
To achieve the purpose of air supply, static pressure and dynamic pressure are required. Total pressure is the algebraic sum of static pressure and dynamic pressure. Total pressure refers to the total pressure increase given by the fan, that is, the difference between the total pressure between the fan's outlet and the inlet. In practical applications, the nominal maximum air volume value is not the actual air supply volume obtained by the fan fan. The large air volume does not mean that the ventilation capacity is strong. When the air is flowing, the air flow will encounter the interference of the fan thermal element or the component in its flow path, and its impedance will restrict the free flow of air. That is, when the air volume increases, the wind pressure decreases. Therefore, there must be an operating point, that is, the intersection of the fan performance curve and the wind resistance curve. At the operating point, the slope of the fan characteristic curve is the smallest, and the change rate of the system characteristic curve is the lowest. Note that the fan's static efficiency (air volume × wind pressure ÷ power consumption) at this time is better. Of course, in order to reduce the system impedance, even a smaller fan can be used to obtain the same air volume. |






New products from manufacturers at wholesale prices