Share on (1600067606629):
STANDARD RECOVERY DIODES STUD
YZPST-17HF(R)120

Features:
Wide current range
High surge current capabilities
Stud cathode and stud anode version
Typical Applications:
Converters
Power supplies
Machine tool controls
Battery charges
Forward Conduction
Parameter | Symbol | Min. | Max. | Typ. | Units | Conditions |
Repetitive peak reverse voltage | VRRM |
|
| 1200 | V |
|
Non repetitive peak reverse voltage | VRSM |
|
| 1300 | V |
|
Max. average forward current | IF(AV) |
|
| 17 | A | Sinewave,180o conduction,Tc=140oC |
Max. RMS forward current | IF(RMS) |
|
| - | A | Nominal value |
Max. peak, one-cycle forward, non-repetitive surge current | IFSM |
|
| 295 | A | 10.0 msec (50Hz), sinusoidal wave- shape, 180o conduction, Tj = 180 oC |
Maximum I2t for fusing | I2t |
|
| 310 | A2s | |
Max. forward voltage drop | VFM |
|
| 1.23 | V | ITM = 48 A; Tvj=25 oC |
Threshold voltage | VF0 |
|
| 0.9 | V |
Thermal and Mechanical Specifications
Parameter | Symbol | Min. | Max. | Typ. | Units | Conditions |
Operating temperature | Tj | -65 | +175 |
| oC |
|
Storage temperature | Tstg | -65 | +200 |
| oC |
|
Thermal resistance - junction to case | RQ (j-c) |
| - - | 1.6 | K/W |
|
Thermal resistamce - case to heatsink | RQ (c-s) |
| - - | 0.5 | K/W |
|
Mounting force | P |
|
| 1.2 | Nm | ± 10% |
Weight | W | - | - | - | g |
|
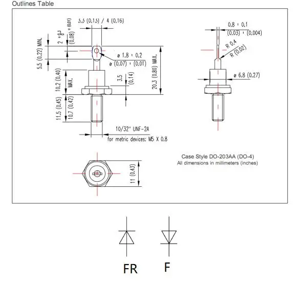
Case style |
|
|
| DO-4 |
| See Outline Table |



New products from manufacturers at wholesale prices