Share on (1600068677136):





OUR PRODUCTS |
Product:11.1V 360KV waterproof propeller motor underwater thruster robot brushless 3360 motor for robotics and toy boat model
Product Application: underwater propeller etc.
BM-784 brushless DC motor is widely used in underwater propulsion motor, the deep motor, remote control of unmanned underwater vehicles special exterior rotor brushless dc motor, the ROV underwater robot potting special exterior rotor brushless dc motor, remote submersible special exterior rotor brushless dc motor, underwater robot special exterior rotor brushless dc motor, unmanned submersible special exterior rotor brushless dc motor, potting special exterior rotor brushless dc motor, submersible motor, and so on
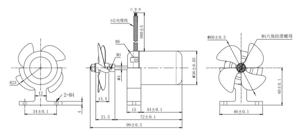
OUTLINE DRAWING |

For more information, you can visit our website
Each motor is packed in a foam box, 3pcs in a carton and 45 cartons in a pallet. If you have any special needs, please let us know, we can design packaging according to your request.



McMaster Electrics Co., Ltd is a professional company specializing in electrical and mechanical products, providing expert solutions and technical support. Our products include electrical motors, gear and gearboxes, transmissions and drive solution, HVAC fan/blower, controllers, pumps and relative components. We have been a reliable business partner for our North American and European customers since 2001. We provide high quality electrical motor, gearbox, fan/blower, controller, pump, ect. We also provide expert solutions and technical support to help your projects to be more competitive and successful. We have Headquarter and sales/service office in US, technical support/service company in China, Joint Ventures in Changzhou area and long term strategic manufacturing partners all over China. Contact us for your inquiry and you will have a pleasant and satisfied experience working with us in return.
a dc motor all about dc motor buy dc electric motor dc brushless motor dc engine dc motor near me electric dc motor electric fan motor electric motor wholesale motor 12v motor fan motors electrical robot motor
brushless dc electric motor 24v high rpm bldc motor for electric skateboard,scooter, surfboard, underwater propeller
New products from manufacturers at wholesale prices