Wholesale Rope Handle Making Automatic Shoelace Tipping Machine
US $30.00-$50.00
Share on (1600096212971):


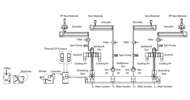
Model No. | ASEN_ SMMS_ 1600 | ASEN_ SMMS_ 2400 | ASEN_ SMMS_ 3200 |
Width (mm) | 1600 | 2400 | 3200 |
Size (m) | 45*12*12 | 45*14*12 | 45*16*12 |
Speed (m/min) | 500 | 500 | 500 |
GSM | 8-100 | 8-100 | 8-100 |
Output (T/Day) | 7-12 | 10-18 | 14-24 |
Delivery Time | 70 Day | 80 Day | 90 Day |









New products from manufacturers at wholesale prices