Share on (1600166108126):
WHY CHOOSE OUR PUMP?
This brochure introduces pneumatic driven gas/Hydraulic boosters and Complete booster system.
These gas booster pump offer a flexible and efficient source for delivering high pressure gases.
1.Oxygen or High Purity cleaning: Our booster are noted for their cleaniness and can handle pure gases such as
oxygen without risk of any contamination.We will use customized lubricants for oxygen and also clean it with ultrosonice cleaner
2. High Flow rates at High pressure: When High flow rates at high pressure are needed ,the booster
can charge a receiver to an even higher pressure level ,thus storing a volume of gas aviable for rapid release at a constant
pressure through a pressure reducing valve
3.Cost savings:Most Industrial gases are commonly delivered at pressure of 2000-2600 Psi in steel cylinders .If the
Gas is to be used well bellow the supply pressure ,the pressurized supply is easily piped and controlled to the point of use
with simple valving .However,if the end user requires the gas to be used at higher pressure then the supply it will have to be
boosted gas.Gas booster can untilize all the gas from a supply source such as cylinder and boost the gas to whatever
pressure and flows are required by the application thus untilizing all the gas volume from the supply source .
New products USUN Model:GBD40-OL 200-300 Bar Output oxygen rebreath booster pump for scuba diving club
Application : Nitrogen filling stations ,charging high pressure gas cylinders and receivers .Gas assisted plastic injection
molding Hydraulic accumulator charging ,Components testing ,Automotive hoses and component gas testing ,biogas charging and pressure tank vessel leakage testing
Item Model
| GBD40-OL oxygen rebreath booster pump |
|
Action type
| Double acting,single air drive | |
Air driven
pressure | 3-10 Bar | |
Dealing with
air source | Compressed and dry air and air regulator on air driven port | |
Lubrication
| No and Non-lubrication for oxygen gas | |
Operating
temperature | -4-65 degree for air driven section and Maximum temperature for gas barrel ection is not more than 115 degrees | |
| Theory of operation | The gas booster consist of a large reciprcating air driven piston directly and coupled by a connecting rod to small area gas piston.The gas piston operates in a high pressure gas barrel section .Each gas barrel end contains high pressure inlet and outlet check valves | |
Suitable
gases for
pumping | Nitrogen(N2), Helium (He2) ,Breathing air (N202) ,Carbon dioxideCo2)Argon (Ar) ,Neon( Ne) ,Oxygen(O2) and so on . Noted:Liquefied gases( Propane,Co2 ,halons) Can be boosted as a liquid and gas in controlled applications | |
Installation | Any |
Product features
1. Realiable ,Easy to Maintain ,compact and robust
2. No heat,flame or spark risk
3. Infinitely variable cycling speed and output
4. Air driven Models do not require electrical connection ,easy to apply automatic controls
5. No limit or adverse affect to contineous stop/start applications
6.Seals system designed for long working life,No airline lubricated required
7.Built-in coupling system (Most models) and suitable for most gases boosting
Main technical parameter
PA= Air driven pressure PI=Inlet pressure Po=Outlet pressure
Those data is theoretical and it is just for reference .
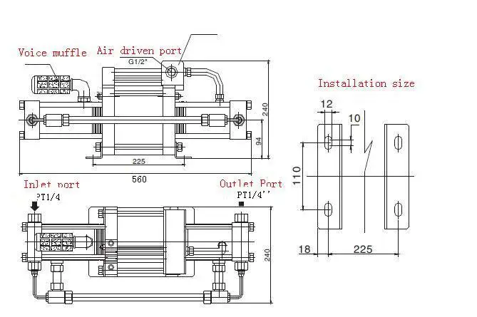
Product outview drawing
Product Gas flow chart

Shipping
| By sea | Cheapest but longest option 18~30 days by sea delivery for mass shipment |
| By air | More expensive than sea delivery, But cheaper than express 5~7 days by air to airport. |
| By express | door to door service,the fastest and most expensive one, 3~5 day for DHL /Fedex /UPS/TNT express |


Dongguan Usun Fluid Equipment Co Ltd Ltd, its a machinery factory, was founded in DongGuan,GuangDong
Province in 2007 which Specializing in making Hydro-Pneumatic product such as Air driven gas booster
,hydro-pneumatic pump ,air hydro pump ,High pressure stainless needle valve ,high pressure complete
gas/hydraulic booster system for many hydro-pneumatic machinery and automatical
Having worked in numerous industries for years, our various experiences benefit us by knowing how to
provide customers with the most efficient solutions.
Having worked in numerous industries for years, our various experiences benefit us by knowing how to
provide customers with the most efficient solutions.We have also already exported for many countries
for our High pressure pump and high pressure system to USA ,North America ,Europe ,Middle east
and south America and so on .

How do I select a correct model
1. Free to inform us that your Inlet gas Pressure range
2. Kindly advise your needed output pressure for connecting machine
3. Should be kindly informed the Gas flow at the rated pressure for calculating the suitable pressure
ratio base on customer"s requirement
4.Feel kindly advise us the avaible air driven pressure
5.Then we can suggest a suitable model base on above Technical data
What is the warranty for product
1.We have 1 Year Warranty for product and can send some easy wear out repairing parts for fixing
the pump such as important seal kits
2.Customer should cover the to-and fro shipping cost for repairing if goods is out of warranty peroid

oxygen rebreath booster pump
New products from manufacturers at wholesale prices