Share on (1600171847713):
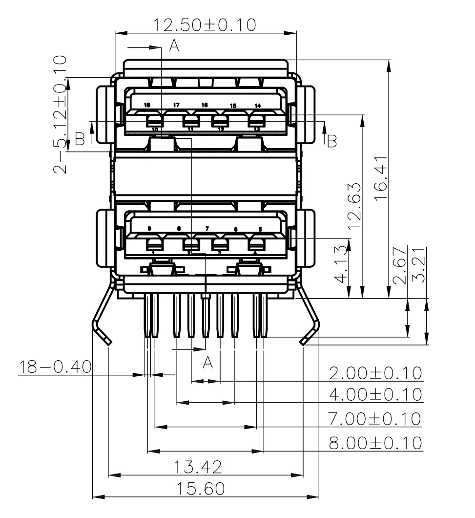
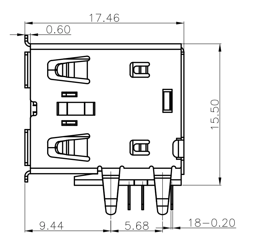
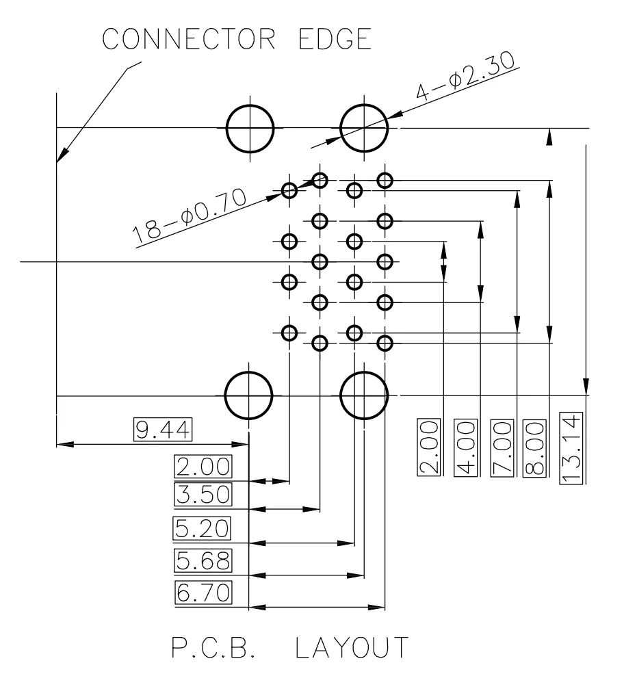
Product Name | USB3.0 A Felame 2 port 90° DIP |
Material | Shell: Copper alloy. Housing: PBT+30%GF 94V-0 Blue. Contact:Copper alloy(T=0.25mm) |
Function | 5Gbps high-speed transmission of data and signals, as well as power supply for equipment. |
Package | Packing of blister tray |
Operating Temperature | -55℃ to +85°℃ |

Product performance description
产品性能介绍说明








Product usage introduction

Description of product use effect












New products from manufacturers at wholesale prices