Share on (1600198280640):

Product application | Electric vehicle | ||||||
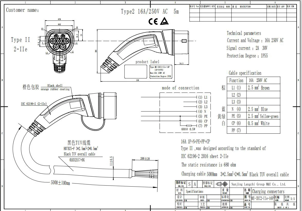
Mechanical properties | Mechanical life: no-load plug> 10000times Impact of external force: can afford 1m drop and 2t vehicle run over pressure. Insertion force:<100N | ||||||
Electrical Performance | The rated current: 16A,20A,32A The rated voltage: 250V/480V Insulation resistance: >1000MQ(DC500V) Pins temperature rise:<50K Withstand voltage: 2500V Contact impedance: 0.5mQMax | ||||||
Rubber Color | Orange, blue, black, green, white, gray | ||||||
Shell Color | Black、white | ||||||
Cable Color | Orange, blue, black, green, gray | ||||||
Applied Materials | Shell Material: thermoplastics ,lame retar-dant grade UL94-V0 Contact-tube:Copper alloy ,silver-plated | ||||||
Environmental performance | Operating temperature: -30 ℃ ~ +50 ℃ | ||||||
Features | 1.Conform to the provisions and requirements of 1EC 62196-2-2016 2-lie. 2. Using riveting pressure process with none screw , have a beautiful apprearance.Hand-held design conform to the ergonomic principle , plug conveniently. 3.XLPO for cable insulation prolonging the aging resistance life - span , TPU shenth improved the bending life and wear resistance of cable.4.Excellent protection performance,prodection grade achieved IP55( working condition). 5.Applied double color coating technology ,personalized custom a variety of colors. | ||||||
Product Specification and Cable Standard | ||||||||
Product Type | Rated Current/ voltage | Cable Specifications | ||||||
M-IEC2-lie-16p | 16A/250V | H07BZ5-F3X2.5mm²+2x0.5mm² | ||||||
M-IEC2-lie-16p-3 | 16A/480V | H07BZ5-F3X2.5mm²+2x0.5mm² | ||||||
M-IEC2-lie-32p | 32A/250V | H07BZ5-F3X6mm²+2x0.5mm² | ||||||
M-IEC2-lie-32p-3 | 32A/480V | H07BZ5-F5X6mm²+2x0.5mm² | ||||||






























New products from manufacturers at wholesale prices