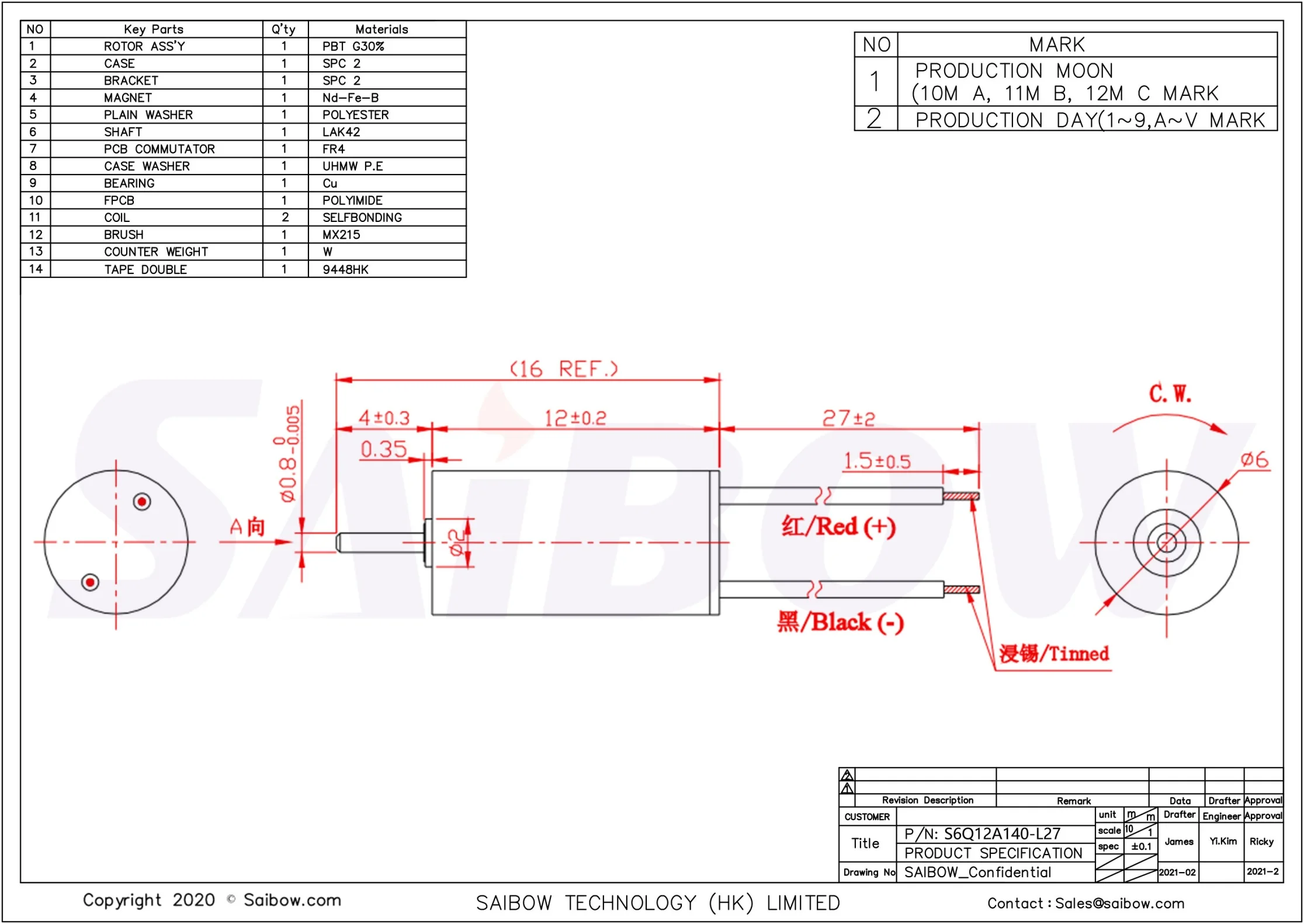
Share on (1600218673189):
SAIBOW P/N | Motor Size | Shaft | Voltage | No Load | ||||||||||
Dia (mm) | Body (mm) | Overall (mm) | Length (mm) | Dia. (mm) | Range (VDC) | Nominal (VDC) | Speed (RPM) | Current (ma) | ||||||
4 | 10 | 13.8 | 3.8 | 0.7 | 2.2~3.6 | 3 | 27,660 | 17.2 | ||||||
S6Q12A140-L27 | 6 | 12 | 16 | 4 | 0.8 | 0.9~1.6 | 1.3 | 14,917 | 16.9 | |||||













New products from manufacturers at wholesale prices