Share on (1600249679776):
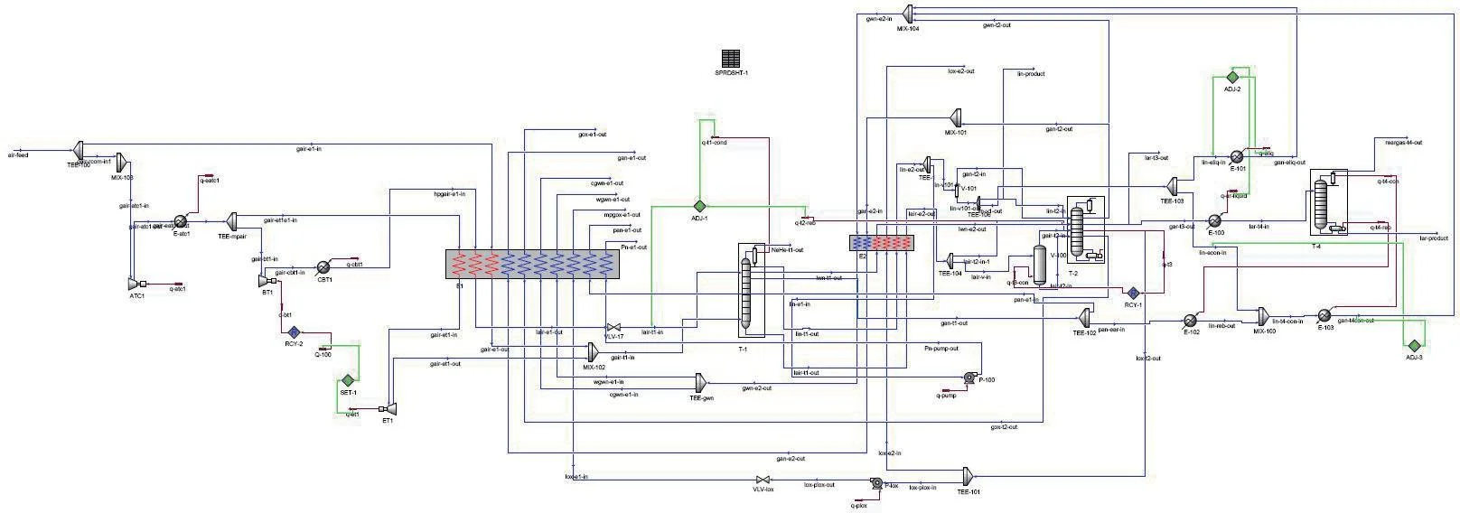
(LN2) Liquid nitrogen yield: | 30NM3/H - 40000NM3/H | ||||||
(LN2) Liquid nitrogen purity: | ≥99.99% | ||||||
(LO2) Liquid oxygen yield: | 30NM3/H - 40000NM3/H | ||||||
(LO2) Liquid oxygen purity: | ≥99.6% | ||||||
(LAr) Liquid argon yield: | 180NM3/H - 1350NM3/H | ||||||
(LAr) Liquid argon purity: | ≤2PPmO2, ≤3PPmN2 | ||||||
Operating pressure: | 0.7MPa - 8.5MPa | ||||||









1. Q: Can you provide the drawings of your plant/tanks? |
Normally, our drawings will be provided to our customer only after the order is confirmed. However, we can provide you some drawings which belong to our old customers for reference. By the way, here, I need to remind you that our company only provides the engineering design drawings and the civil design drawings will be out of our range. Because every place has different situation, your side needs to find civil design company in your local market to do the drawings according to your specified environment. |
2. Q: How’s the producing time and delivery time?? |
Normally, our production time is 6 months for air separation plants but it also depends on the capacity you require. The bigger the plant, the longer time for production. Please also note that when the plant is finished, we need to wait for bulk vessel. It’s very common to wait for one or two months to find the right vessel. The delivery date is 3-5 months. |
3. Q: What about warranty? |
Equipment warranty is 12 months from the date on which the equipment is applied successfully into operation, or 14 months from the date on which the equipment has been delivered, whichever comes first. Generally speaking, our air separation unit can work normally for 15-20 years if it is maintained properly. As a leading brand in China with over 40 years history, reliability and stability of our ASU is much better than small young companies. |

New products from manufacturers at wholesale prices