Share on (1600260909641):
Brand | Compressor Type | Application bus |
BIT | 6NFCY | 17m-18m bus 12m double-decker bus |
6PFCY | 15m-16m bus | |
6TFCY | 13m-14m bus | |
6UFCY | 11m-12m bus | |
4NFCY | 12m bus | |
4PFCY | 9m-10m bus | |
4TFCY | 7m-8m bus | |
4UFCY | 6m-7m medium-sized bus |
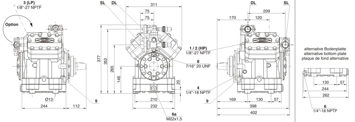
4PFCY Compressor Data | ||||||
Number of cylinders | 4 | Net Weight | 33kgs | |||
Bore | 65mm | Gross Weight | 35kgs | |||
Stroke | 42mm | Dimensions | 402*311*377mm | |||
Cylinder volume | 558 cm3 | Oil type R134a | BSE 55 (Option) | |||
Allowed speed range | 500...3500 1/min | Oil type R22 | B5.2 (Standard) | |||
Max. pressure(LP/HP)1) | Max. 19/28 bar | Oil charge | 2.0 dm3 | |||
Magnetic clutch | 12V or 24V DC | Pressure relief valve | Standard | |||
Connection suction line SV | 35MM - 1 3/8" | Connection discharge line DV | 35MM - 1 3/8" | |||





















New products from manufacturers at wholesale prices