Line Isolation Monitor for Isolated Electrical System

Share on (1600301676338):


Price:

Quantity:


Product Overview

Description



Acrel AIM-M Series Line Isolation Monitor for Ground Fault Location in Ungrounded System

ACREL AIM-M Series Line Isolation Monitor (LIM) is designed for healthcare facilities to monitor the Total Hazard Current (THC) in an isolated (ungrounded) IT system.



Standard


◆ IEC60364-7-710:2016 Electrical installations of buildings—Part 7-710:Requirements for special installations or locations—Medical locations
◆ IEC 61557-8-2007 Electrical safety in low voltage distribution systems up to 1000V a.c. and 1500V d.c.—Equipment for testing, measuring or monitoring of protective measures — Part 8:Insulation monitoring devices for IT systems



Function Description


● Certificate: CE, IEC
● Communication: RS485, CAN(for AIM-M200 only)
● Monitoring Ground Insulation
● Monitoring Transformer Load and Temperature
● Alarm Relay Output


Features


◆ Insulation monitoring for medical IT systems
◆ Load and temperature monitoring for IT transformers
◆ PE, temperature sensor, IT systems connection monitoring
◆ Adjustable response value for insulation monitoring and current
◆ Alarm relay, alarm LED indication when fault occurred
◆ RS485 and CAN interface(for AIM-M200 only)
◆ Fault record for analyzing the status of IT systems
◆ Support fault location(for AIM-M200 only)



Technical Parameters




Overall and installation dimensions(unit:mm)


Front view



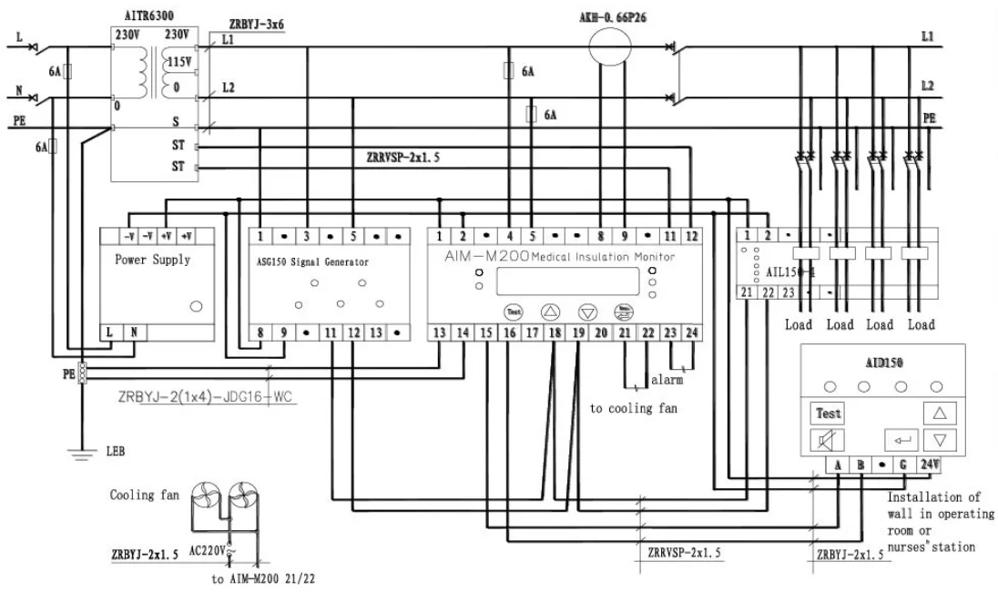
Typical Connection




Selection Description


The auxiliary power supply of AIM-M10/AIM-M100 is AC220V, and forAIM-M200, is DC 24V. Only AIM-M200 support
insulation fault location function and this can also be turned off through the menu.


Certifications




0.1929 s.