Share on (1600301968882):
China Manufacturer Double Actuator Pneumatic Cock Shunt Valve
Production Description

Plug diverter valve (two way valve) is mainly used to change the conveying direction of bulk and solid materials in pneumatic conveying system. Two way valve can convey the material to different places through connecting same feeding pipe to different pipes, or make the material circumvent some certain processing procedures. Actuator can be equipped with pneumatic drive, electric drive and manual operation.
Product Name | Plug Diverter Valve |
Material | Carbon steel, stainless steel304, 316 |
Cylinder | AirTAC, Festo |
Drive | Pneumatic |
Main Features:
1.Plug Diverters are heavy-duty alternatives to the flap type conveying diverter.
2.They have an internal plug that rotates 150 degrees to reroute product from one leg to the other. The round hole in the plug matches the round blow through ports, making for a very smooth transition.
3.The units work well on applications with large particles that may get caught in a flap type diverter, causing leakage to the dead leg.
4.As there is no rubber seal, the plug diverter is well suited to more abrasive products.
5.A pneumatic rotary actuator is used to rotate the plug as standard, but can also be supplied with an electric actuator or hand crank.
6.The units come standard with spigots as specified by the customer: flangd, OD tube or nominal pipe.
7.Sizes available are: 2, 3, 4, 5, 6, 8 and 10 inch.


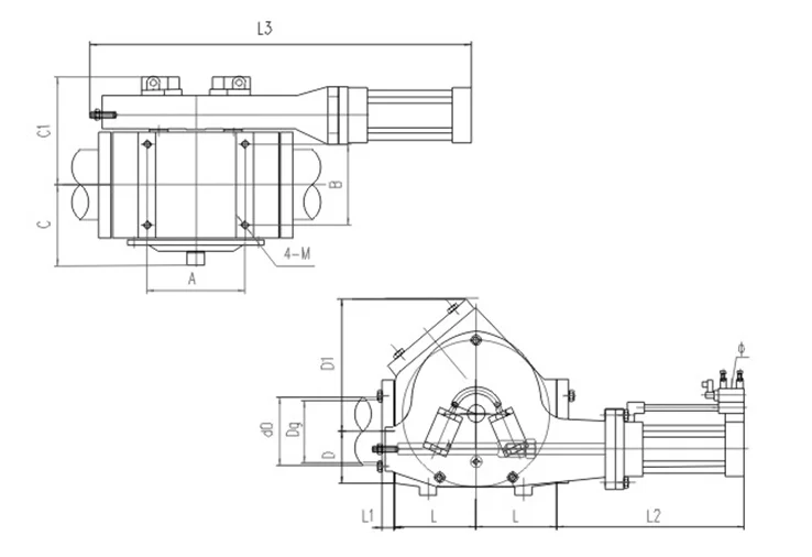
Dimension Display of Diverter Valve
![`W)$L$0[H}ED3HB8DKO6]5D.png](http://sc03.alicdn.com/kf/H69318175435a45919aba48a263c991f0v/202246889/H69318175435a45919aba48a263c991f0v.png)
Type | Pneumatic two way valve size | |||||||||||||
A | B | C | C1 | D | D1 | Dg | d0 | L | L1 | L2 | L3 | M | Φ | |
THFX6.5X2 | 100 | 80 | 85 | 155 | 80 | 158 | 65/68 | 73/76 | 95 | 20 | 330 | 575 | M8 | 8 |
THFX8X2 | 115 | 100 | 98 | 165 | 90 | 176 | 80/86 | 89/95 | 105 | 20 | 320 | 575 | M10 | 8 |
THFX10X2 | 140 | 120 | 105 | 175 | 95 | 198 | 100/106 | 108/114 | 120 | 20 | 315 | 590 | M10 | 10 |
THFX12X2 | 170 | 140 | 125 | 195 | 110 | 230 | 120/125 | 130/133 | 140 | 20 | 345 | 695 | M12 | 10 |
THFX15X2 | 210 | 160 | 140 | 215 | 125 | 265 | 150/158 | 159/168 | 160 | 22 | 355 | 715 | M12 | 10 |
THFX18X2 | 240 | 180 | 155 | 230 | 135 | 295 | 170/180 | 180/190 | 175 | 22 | 365 | 715 | M12 | 10 |
THFX20X2 | 280 | 220 | 175 | 260 | 155 | 335 | 203 | 219 | 200 | 25 | 425 | 875 | M12 | 10 |
Factory Overview
For every production step our workers are carefully finished. QC department is strictly following the quality standard by 100% inspection for all the products. Cheegers never stop studying,researching and developing new designs on rotary valves. Each year, we will launch new designs which suit different application conditions.
Handling Material
With small size, elegant appearance, compact structure, convenient operation etc, it is widely used in grain, food, feed, grease, chemicals, electric power, port and wharf, storage and transportation industries etc.
For different sizes, shapes handling material with different charateristics, we have professional plans and solutions to deal with them in pneumatic conveying system.\\

Company Profile
CHEEGERS is the professional manufacturer of rotary valves, magnetic separators, etc which are widely used in pneumatic conveying systems. We have a professional R&D team, they are able to meet various requirements raised by clients. After a thorough analysis of your system, the sales managers can select the best model for you. Plus complete after-sale services are completed, our technicians are always pleased to help with your malfunctions, overseas services can even be satisfied if necessary. Meanwhile, OEM/ODM is welcome.
With integrated cooperation, our products exported to over 30 countries and areas, like Germany, Italy, Canada, Southeast Asia, etc. we are striving to broaden the selling network and add service agency.
Our products and sales services both gained highly speak of from customers. Believe we can do better and better.

Certificate
Cheegers has got the CE for rotary valve and diverter valve as below:
We also have other patents for rotary valve and diverter valve domestically.
New products from manufacturers at wholesale prices