60mm 24v 15w 25w 30w high speed high torque micro brushless dc gear motor

Share on (1600302829495):


Price:

Quantity:


Product Overview

Description



Products Description


What is a Brushless DC Gear Motor?
*The Brushless DC Gear Motor consists of a brushless geared motor and a driver, it is a typical mechatronic product.
*It consists of permanent magnet rotor, multi-pole winding stator, position sensor, etc.
*Comparison with traditional AC induction motors,it has the advantage of Excellent speed stability,Energy efficient,Maintanence free etc.
*Brushless motors are commonly used in AGV/AMR designs for battery-powered,compact,lightweight equipment movement,mobile automation compactible products.

What can Brushless DC Gear Motor do for you?
1:Allows for a compact,maintanence free design.
2:Smooth performance with positioning operation.
3:Use common communication network protocols Modbus(RTU).

What is ZD's advantages in Brushless DC Gear Motors?
*We ZD have the most complete product range from 60mm size to 104mm size,power from 10w-750w,voltage from 12V-220V.Can meet the needs of different occasions
*From motors, gearboxes to drivers, they are all completed in Zhongda's factory , which ensures the consistency of products.
*As a manufacturer responsible for customers, we have a full range of brushless motors in stock,just assemble the stock motor with gearbox, so that customers have no worries about delivery time.


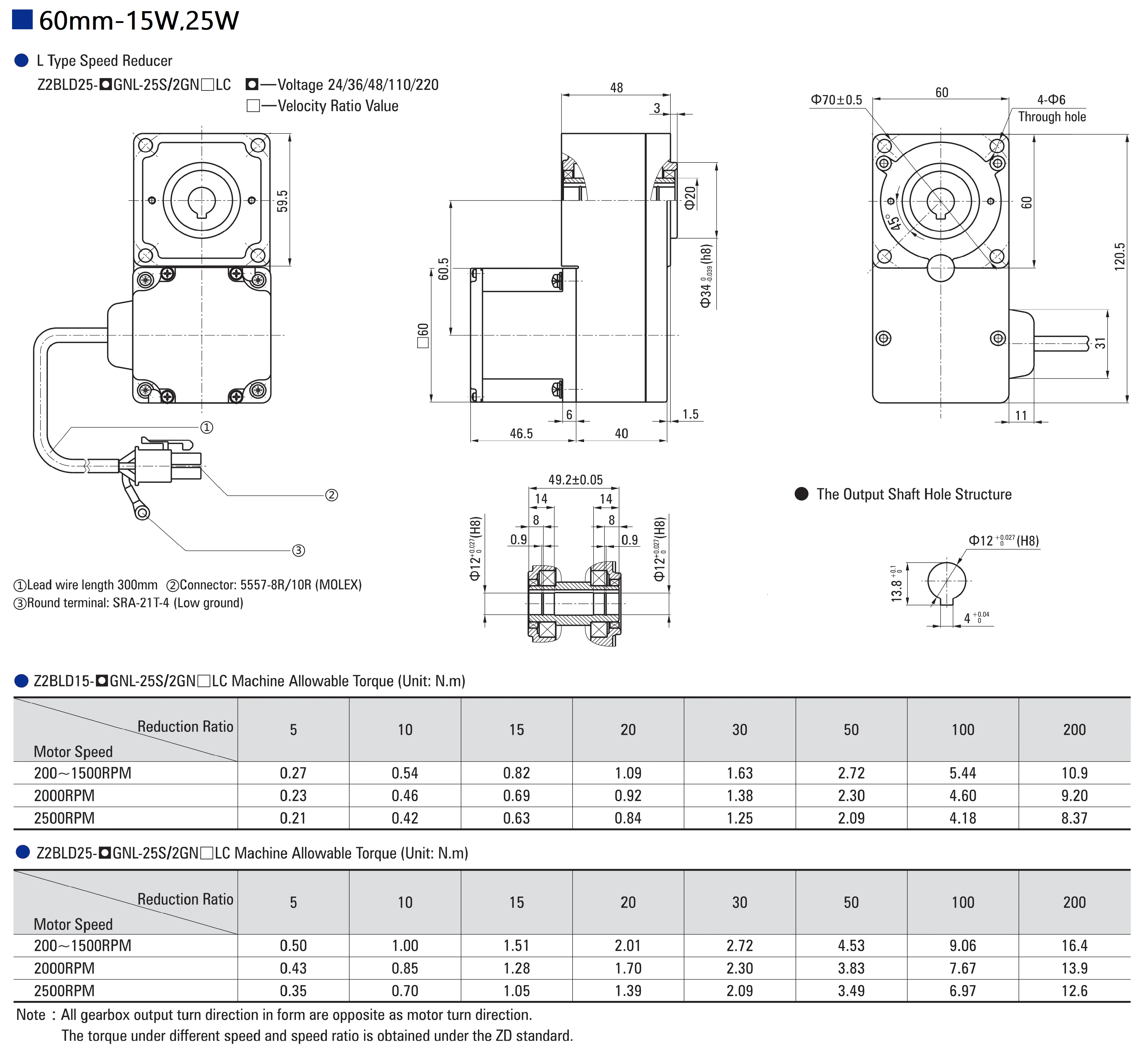
Product Paramenters


Signal Type
Hall sensor / Sensorless bldc
Voltage Range
Low Voltage:24V / 36V 48V  ;  High Voltage: 110V / 220V
Power Range
10W~750W (watts)
Size
60mm  70mm  80mm  90mm 104mm
Output Torque
Max to 120N.M ( 88.5075 ft.lb)
Optional accessories
Brake / Encoder
Shaft Type
Keyway Shaft / D-cut shaft / Round Shaft / Hollow Shaft 
Gearbox Type
Parallel Shaft / Right Angel / L-shape 
Speed Range
Motor rated rpm 3000 ,close loop, min to 0 rpm
Reduction Ratio
3K~200K
For Model Selection, just tell ZD your requirements, we will help to choose right one for you!








Related Products




Why Choose Us




FAQ


Q1: What're your main products?
A1: We currently produce Brushed DC Motors, Brushed DC Gear Motors, Planetary DC Gear Motors, Brushless Dc Motors, Stepper motors, AC Motors and High Precision Planetary Gear Box etc. You can check the specifications for above motors on our website and you can also tell us your special requirements by email and we will recommend the motor you need.

Q2: How to select a suitable motor?
A2: If you have motor pictures or drawings to show us, or you have detailed specs like voltage, speed, torque, motor size, working mode of the motor, needed lifetime and noise level etc, please do not hesitate to let us know, then we can recommend suitable motor per your request accordingly.

Q3: Do you have a customized service for your standard motors?
A3: Yes, we can customize per your request for the voltage, speed, torque and shaft size/shape. If you need additional wires/cables soldered on the terminal or need to add connectors, or capacitors or EMC we can make it too.

Q4: Do you have an individual design service for motors?
A4: Yes, we would like to design motors individually for our customers, but it may need some mold developing cost and design charge. 

Q5: What's your lead time?
A5: Generally speaking, our regular standard product will need 15-30days, a bit longer for customized products. But we are very flexible on the lead time, it will depend on the specific orders.



0.0165 s.