Share on (1600307198593):








item | value |
Warranty | 3months-1year |
Brand Name | LWS |
Material | FR-4 |
Model Number | 18650-4S1P-battery holder with pcm |
Place of Origin | China |
Guangdong | |
Battery Holder | L81*W84*T19mm |
Voltage | 14.8V |
Charge/discharge current | 4A |
Product name | 4S1P battery holder |
OEM & ODM | Accpet |
Packing | Carton Boxes |
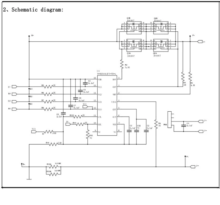
Function | Battery BMS or PCM |
New products from manufacturers at wholesale prices