Share on (1600321373151):





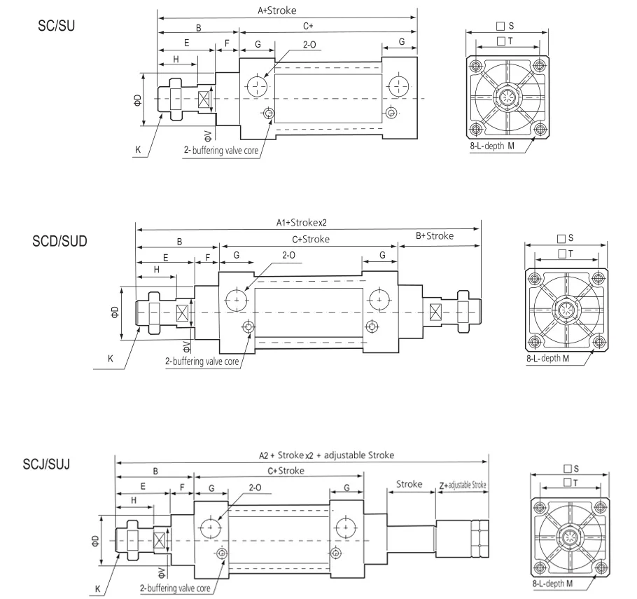
| Bore size(mm) | A | A1 | A2 | B | C | D | E | F | G | H | K | L | O | S | T | V |
| 32 | 140 | 187 | 182 | 47 | 93 | 28 | 32 | 15 | 27.5 | 22 | M10X1.25 | M6x1 | G1/8 | 45 | 33 | 12 |
| 40 | 142 | 191 | 185 | 49 | 93 | 32 | 34 | 15 | 27.5 | 24 | M12x1.25 | M6x1 | G1/4 | 50 | 37 | 16 |
| 50 | 150 | 207 | 196 | 57 | 93 | 38 | 42 | 15 | 27.5 | 32 | M16X1.5 | M6x1 | G1/4 | 62 | 47 | 20 |
| 63 | 153 | 210 | 199 | 57 | 95 | 38 | 42 | 15 | 27.5 | 32 | M16X1.5 | M8X1.25 | G3/8 | 75 | 56 | 20 |
| 80 | 182 | 258 | 243 | 75 | 108 | 47 | 54 | 21 | 33 | 40 | M20X1.5 | M10X1.5 | G3/8 | 94 | 70 | 25 |
| 100 | 188 | 264 | 249 | 75 | 114 | 47 | 54 | 21 | 33 | 40 | M20X1.5 | M10X1.5 | G1/2 | 112 | 84 | 25 |
| 125 | 251 | 357 | 348 | 106 | 145 | 60 | 74 | 32 | 40 | 54 | M27x2 | M12 | G1/2 | 140 | 110 | 32 |
| 160 | 312 | 444 | 441 | 132 | 180 | 65 | 94 | 38 | 50 | 72 | M36x2 | M16 | G1/2 | 180 | 140 | 40 |
| 200 | 347 | 509 | 472 | 162 | 185 | 75 | 112 | 50 | 50 | 72 | M36x2 | M16 | G3/4 | 220 | 175 | 40 |
| 250 | 384 | 189 | 195 | 95 | 119 | 70 | 50 | 84 | M42x2 | M20 | G3/4 | 280 | 225 | 50 |


Bore Size(mm) | 32 | 40 | 50 | 63 | 80 | 100 | |||
Acting Mode | Double Acting | ||||||||
Working Media | Cleaned Air | ||||||||
Working Pressure | 0.1~0.9Mpa(1~9kg/cm^2) | ||||||||
Proof Pressure | 1.35MPa(13.5kgf/cm^2) | ||||||||
Working Temperature Range | -5~70℃ | ||||||||
Buffering Mode | Adjustable | ||||||||
Buffering distance(mm) | 24 | 32 | |||||||
Port Size | 1/8 | 1/4 | 3/8 | 1/2 | |||||
Body Material | Aluminum Alloy | ||||||||






Q: Are you trading company or manufacturer?
A: We are manufacturer, factory.
Q: What's your main products?
A: BLCH's main products are air treatment unit, pneumatic fittings, solenoid valve, mechanical valve, pneumatic cylinders, PU tubes and other pneumatic parts.
Q: How long is your delivery time?
A: Generally it is 7-10 working days if the goods have stocks. Or it is 10-15 working days if the goods don't have stocks, it is according to quantity and request.
Q: Do you provide samples? Is it free or extra?
A: Our samples are free, we will reduce this cost in your first order.
Q: What is your terms of payment?
A: Alipay, TT, western union
Q: Could you OEM?
A: Yes, we can make OEM for customers.

New products from manufacturers at wholesale prices