ISO Dry Cargo Heavy Shipping Container Corner Post

Share on (1600329611610):


Price:$6,700.00 - $7,000.00

Quantity:


Product Overview

Description





Hot Sale Products


ISO1161 Container Corner Fitting
Container Door Locking Parts
Container Door Hinge


28mm Container Plywood
EPDM Container Door Gasket
Corten Steel Container Roof Panel


Product Description


Dry Cargo Shipping Container Corner Post


We could supply container corner post with high quality, including Front, Rear Inner and Rear Outer corner post. Also supply order
size as per your requirement. Please check the details following:

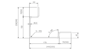
1. Size: Please check the chart as follows.
2. Material: SPA-H Corten-A steel
3. Weight: Please check the chart respectively as follows.
4. Type of Corner: GP/HC Container
5. Usage: Container building
6. Surface Treatment: Shop primer








Details Images








Packing & Shipment


Container Corner Post
1. Container front corner post: 20 sheets packed into one pallet.
2. We could arrange them via LCL and FCL.




Our Company








Contact ACE




0.2096 s.