Share on (1600364681601):

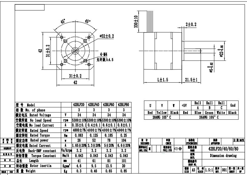
| Model | Voltage | speed | Torque | Current | Power | Peak Torque | Torque constant | V/kRPM | Rotor inertia | Body Length | Mass |
| 42BL40-240 | 24 | 4000 | 0.063 | 1.65 | 27 | 0.185 | 0.035 | 3.17 | 5.2 | 40 | 0.3 |
| 42BL60-240 | 24 | 4000 | 0.125 | 3.4 | 52 | 0.38 | 0.041 | 3.13 | 9.3 | 60 | 0.47 |
| 42BL80-240 | 24 | 4000 | 0.185 | 4.5 | 77 | 0.55 | 0.042 | 3.28 | 13.4 | 80 | 0.65 |








New products from manufacturers at wholesale prices