Share on (1600370337758):
By adopting slewing bearing as its core component, slewing drive can bear axial force, radial force and tilting moment simultaneously. Slewing drive is widely applied in modular trailers, all types of cranes, aerial working platform, solar tracking systems and wind power systems.
Slewing drive has the advantage for saving space in facilities, max load capacity in a compact design, extensive lifespan, and reduced maintenance costs.
Detail
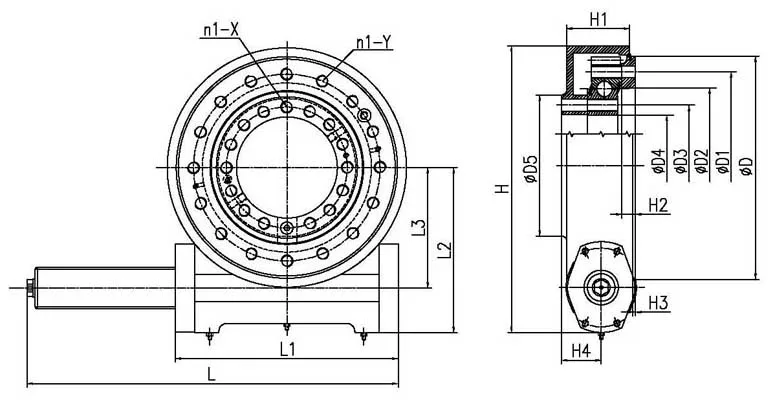
1) Tilting Moment Torque: Torque is the load multiplied by distance between the position of load and the center of slewing bearing. If the torque generated by load and distance is greater than the rated tilting moment torque, slewing drive will be overturned.
2) Radial load: Load vertical to the axis of slewing bearing.
3) Axial load: Load parallel to the axis of slewing bearing.
4) Holding torque: It is the reverse torque. When the drive is rotating reversely, and parts are not damaged.
5) The maximum torque achieved is called holding torque.
6) Self-locking: Only when loaded, the slewing drive is not able to reverse rotate and thus called self-locking.
Application
It is mainly engaged in the research and development ,production, sales and maintenance of solar photovoltaic and engineering machinery rotary reducers and their parts .It can producemore than 200000 rotary drive devices annually .Atpresent, The products cover a variety of specifications andstyles from 3 inches to 28 inches, It can meet the needs of different types of photovoltaic , solar thermal tracking power station and construction machinery market .
| Product Name: | SE series Slewing Drive |
| Material: | 42CrMo,50Mn,Nodular cast iron |
| Color: | according to customers' needs |
| Warranty: | 1 Year |
| MOQ: | 1 Pcs |

















1 Q:Are you a factory or trading company?
A:We are a factory, we have our own factory and warehouse.
2 Q:Do you provide samples ?
A:Yes,we can send samples for free, you just need pay for the freight cost.
3 Q:What is your MOQ?
A:For common bearing model,our MOQ is 1pcs.
4 Q:Could you accept OEM and customize about bearings?
A:Yes,we can customize for client according to your samples or drawing.
5 Q:How long is your delivery time?
A:Generally within 7~10 days after confirm, it will be 30-50 days if the goods are not in stock , The specific time need refer to the quantity.

New products from manufacturers at wholesale prices