Share on (1600388539249):


● Semi-duplex communication, high interference immunity |
● 2.4GHz ISM frequency, 128 channels are optional, can be used without application. |
● Power supply voltage: 2.8-3.6V, the max power output is 12dBm |
● Rx sensitivity -95dBm |
● Tx current 40mA@12dBm 25mA@0dBm |
● Rx current 27mA |
● Sleep current 10uA |
● Standard TTL level, UART interfaces |
● The communication protocol and RF transmit and receive are switched automatically, it's no need to set manually,easy to use |
● Communication rate 0.6kbps~38.4kbps,users can configure through interface |
● Long range transmission,viual range is up to 120m in open space without any interference. |
● Mini SMD package, convenient installation, antenna is not needed. |
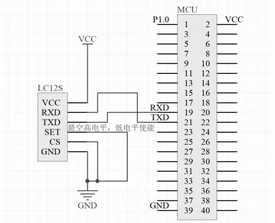
Pin | Name | Function | Description |
1 | VCC | Power supply | Power(2.8~3.6V)Typical 3.3V |
2 | RXD | Data input(TTL level) | Receive the interface communication data |
3 | TXD | Data output(TTL level) | Send the interface communication data |
4 | SET | Set position | Configure parameter(Low level enable parameter configuration, it’s high level when floating |
5 | CS | Sleep | Work when the pin is connected to low level, it's high level when floating |
6 | GND | Power | Ground |
7 | ANT | Port for external antenna | When connect external antenna, remove 0R resistor on the PCB antenna connection. |






New products from manufacturers at wholesale prices