Share on (1600388917343):
IEPE Acceleration Sensor
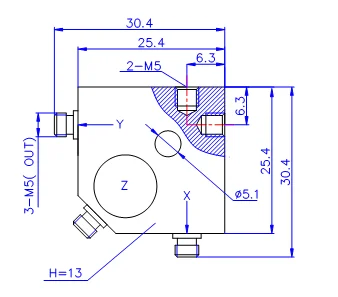
l Built-in IEPE preamplifier
l Tri-axial (X,Y,Z) output
l Mounting via center hole
l 3- L5 output
Model:CA-YD-3152
Sensitivity(20±5℃) | 20 mV/g |
Measurement Range(pk) | 250 g |
Max Transverse Sensitivity | ≤5 % |
Frequency Response(±5%) | 0.5~ 4,000 Hz |
Mounting Resonant Frequency | 15,000 Hz |
Operating Temp. Range | -40~+120 ℃ |
Temperature Response | See Graph |
Shock Limit(pk) | 1,000 g |
Max Output Signal(pk) | ≤6 V |
Noise | <2 mg |
Output Impedance | <100 Ω |
Operating Voltage(Constant current source) | +12~+24 VDC |
Operating Current | +2~+10 mA |
DC Bias Voltage | 7±1 V |
Mounting | φ5 Through hole |
Sensing Element | Piezoelectric Ceramics |
Sensing Geometry | Ring Shear |
Case Material | Stainless steel |
Weight | 28 g |
Output | X,Y,Z Tri-axial L5 |
Accessories |
|
Certificate | Calibration parameter, frequency response |
M5 Stud, Protection cap | one |
L5/L5,STYV-1(2m) | three |
| Dimensions | ![]() |
Temperature Response | ![]() |
Frequency Response | ![]() |
SINOCERA PIEZOTRONICS, INC was established in 2001, with 34.6 million yuan registered capital and factory area more than 9000m2.We are mainly engaged in the development, production, and sales of high-performance piezoelectric ceramic materials, piezoelectric sensors and dynamic testing instruments.



New products from manufacturers at wholesale prices