Share on (1600391399990):

Specification | ||
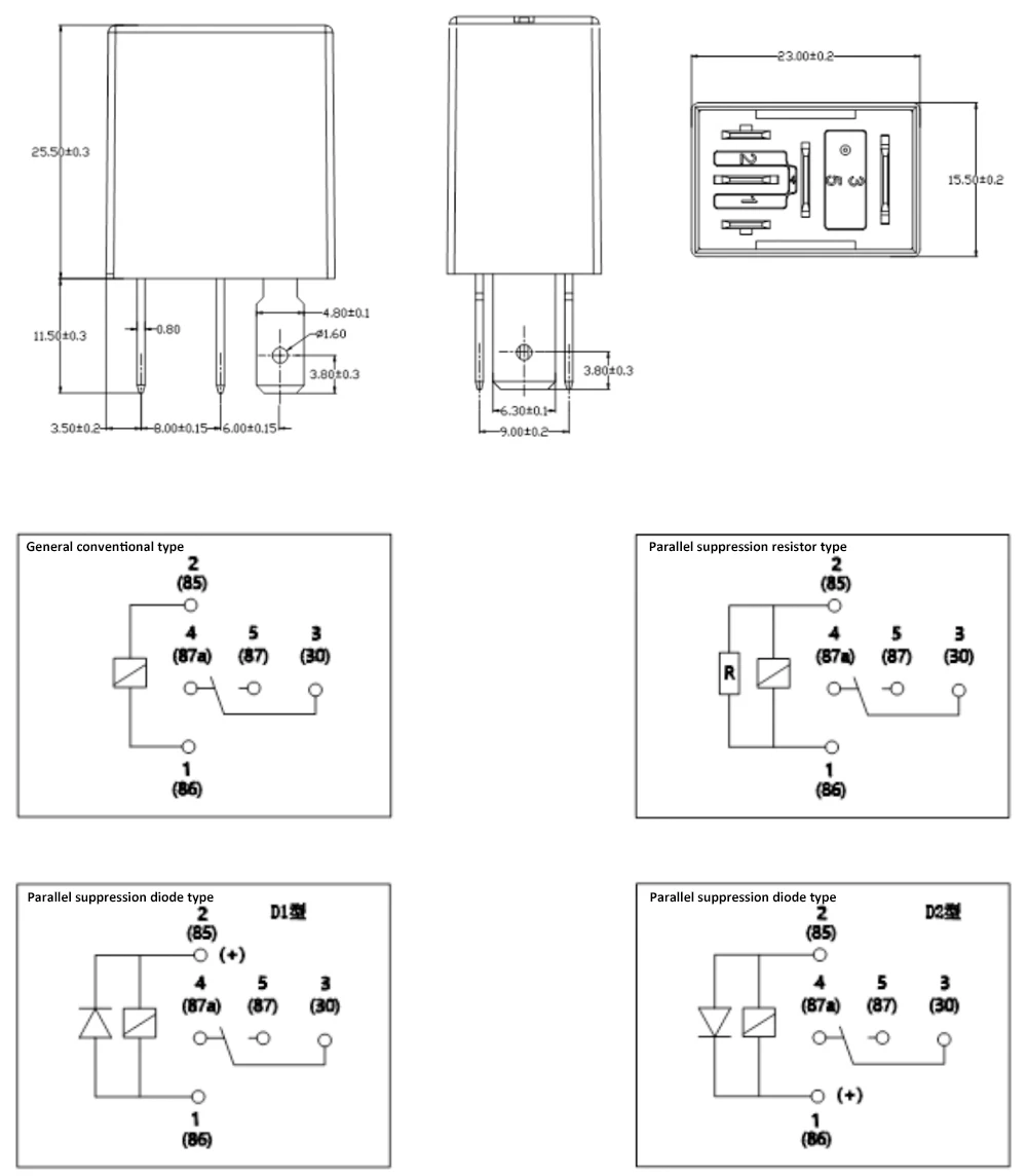
Contact Form | 1A, 1C | |
Contact Material | AgSno2 | |
Max Operating Current | 30A | |
Max Operating Voltage | 27VDC | |
Rated Load (Resistive Load) | 1A: 30A 13.5VDC 15A 27VDC 1C: NO/NC 30A/20A 13.5VDC 20A/10A 27VDC | |
Insulation Resistance | 100MΩ | |
Dielectric Strength (Coil and Contact) | 500VAC/M | |
Ambient Temperature | -40°C~+85°C | |
Operate/Release Time | 10ms/10ms | |
Mechanical Life | 1 X106 | |
Electrical Life | 1 X105 | |
Terminal Type | Quick-connect type | |
Coil Ratings | ||||||||||||||||
Standard | Normal voltage (VDC) | Pick-up voltage (VDC) | Drop-out voltage (VDC) | Coil resistance (Q±10%) | Parallel resistance (Q±5%) | Equivalent resistance (Q±10%) | Power consumption | Max allowable overdrive voltage (VDC) | ||||||||
20 °C/85 °C | ||||||||||||||||
12 | 8.4 | 1.2 | 90 | - | - | 1.6 | 20.2/15.7 | |||||||||
12 | 8.4 | 1.2 | 80 | 680 | 79.5 | 1.8 | 20.2/15.7 | |||||||||
24 | 16.8 | 2.4 | 360 | - | - | 1.6 | 40.5/31.5 | |||||||||
24 | 16.8 | 2.4 | 320 | 2700 | 317.6 | 1.8 | 40.5/31.5 | |||||||||


zhejiang Feileisi Electrical Technology Co.,Ltd. is a professional manufacturer which is specialized in producing auto relay, socket, general purpose relay, power relay, magnetic latching relay, and other relays.
The company is located in Wenzhou - the electric capital, with more than 100 employees. The company has domestic leading level technology research and development center, mould center, product testing center and international advanced level automated assembly line, forming the production system of scientific-research, manufacture and inspection. The company has passed ISO9001:2008 international management system certification. Products have passed CCC certification and CE certification. Our products meet the domestic leading level and are well recognized by the users.
The brands of "Foocles", "FeiLeiSi" are favored for their stable quality and competitive prices. Our products are exported to Europe, America, Middle East, Southeast Asia and many other parts of the world.
We warmly welcome domestic and foreign friends to visit our factory for business negotiation and sincerely honor your suggestion. We will be wholehearted for your service.





Failure Phenomena | Failure Mode | Failure Reason | ||
Non-operation | No current at the terminal of the coil | Breaking circuit Worse connected or short circuit Terminal welded worse | ||
Insuffcient voltage in the circuit | Insuffcient voltage supply Power circuit too long The voltage of the chosen relay too high | |||
Circuit unconnected | Welded failure Coil breaking | |||
Relay failure | Drop, bumpped badly Contact failure | |||
Voltage polarity of the polarized relay is wrong | Bumped during the transportation Circuit connected badly | |||
No Release | Surplus voltage too high | Energy storage component's influence Leakage current or bypass current Surplus voltage of the semiconductor | ||
Relay failure | Drop, bumped badly Contact failure | |||
Unsteady Operation | Unsteady power | PARD(periodic and random deviation) Insuffcient voltage Resistor beyond the tolerance | ||
Unsteady parameter | Drop or bumped badly Short form among the coils | |||
False operation of the relay | Something wrong with the control procedure The vibration excessively strong in application | |||
NC/NO Contact welding | Current excessively high | Load excessively high Surge current too high | ||
Contact Moving abnormally | External vibration excessively strong Unstable operation | |||
Operation frequency excessively high | ||||
Ambient temoerature excessively high | ||||
Use beyond the life | ||||
NC/NO Contact Not Closed | Contact resistance too high | Weld failure Contamination in the contact Bad using environment, contact oxidizing or sulphidizing | ||
No current in the contacts surface | Load circuit break Circuit connected worse or short circuit Terminal welded worse | |||
Used beyond the life limit | ||||
Notes: when failure happens, if there's any question, please contact us | ||||
New products from manufacturers at wholesale prices