Share on (1600409709767):

CERAMIC EYE | ||||||||||
TYPE | A(φ) | B(φ) | C(φ) | D | E | |||||
HY99-1964 | 13 | 6.4 | 4.1 | 5.14 | ||||||
HY99-2046 | 7.85 | 6.34 | 4.62 | 3.56 | 1 | |||||
HY99-2047 | 6.96 | 5.38 | 3.6 | 3.57 | 1 | |||||

CERAMIC EYE | ||||||||||||
TYPE | A(φ) | B(φ) | C(φ) | D | E | OPENING | ||||||
HY95-1385 | 24.9 | 20 | 14.95 | 15.6 | 3.8 | 9.3 | ||||||
HY95-1442 | 4.4 | 3.5 | 1.7 | 4 | 0.88 | |||||||
HY95-1624 | 9.8 | 6.38 | 4.3 | 3.55 | 1.39 | 3.58 | ||||||
HY95-1625 | 12 | 9.8 | 2.6 | 3.2 | 1 | 3.9 | ||||||
HY99-1940 | 16.62 | 12.76 | 5.82 | 10.12 | 2 | 2.7 | ||||||


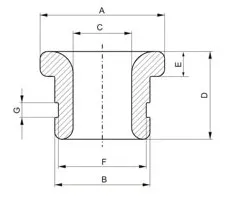
CERAMIC EYE | ||||||||||||||
TYPE | A(φ) | B(φ) | C(φ) | D | E | F | G | |||||||
HY95-1237 | 10 | 8.5 | 4.3 | 7.1 | 1.48 | 0.8 | 1.1 | |||||||
HY99-1278 | 19.7 | 12 | 13 | 7.8 | 1.95 | 11 | 1.9 | |||||||
HY99-1043 | 12.4 | 9.2 | 9.2 | 7.8 | 2.3 | 7.7 | 1 | |||||||
HY95-1572 | 8.6 | 6.5 | 6.5 | 6 | 1.6 | 6 | 1 | |||||||
HY99-1574 | 10 | 7.7 | 7.7 | 7.7 | 1.5 | 6.9 | 2 | |||||||
HY95-1648 | 4.2 | 2.6 | 8.4 | 2.6 | 0.6 | 3.3 | 0.8 | |||||||

CERAMIC EYE | ||||||||||
TYPE | A(φ) | B(φ) | C(φ) | D | E | |||||
HY99-1954 | 4.6 | 2.8 | 1.7 | 3.5 | 0.8 | |||||
HY99-1206 | 4 | 3 | 1.56 | 3 | 1 | |||||
HY95-1242 | 9.6 | 6.35 | 4.2 | 14 | 2.5 | |||||
HY95-1243 | 15.3 | 11 | 6.3 | 10 | 2.6 | |||||
HY95-1246 | 9.3 | 6.8 | 3.9 | 7.8 | 1.74 | |||||
HY95-1249 | 11.2 | 7 | 3.54 | 17 | 2.55 | |||||





New products from manufacturers at wholesale prices