Share on (1600410150211):

The two-stage deviation switch is mainly used to detect the deviation of the conveyor belt, to prevent the deviation of the belt from causing material overflow and other failures. When the tape strays, the edge of the tape drives the vertical stick to rotate and squeeze the vertical stick to tilt it. If the tilt of the stand rod is greater than the first-level action angle, the switch will send out a set of signals for warning, and if the tilt of the stand-up rod is greater than the second-level action angle, the switch will send another set of signals to stop the machine. After the belt conveyor resumes normal operation, the stand roller is automatically reset. There are two micro switches K1; K2 inside the two-stage deviation switch, which can be connected as normally open or normally closed according to actual needs.
1. Ambient temperature: -30°C~ +75°C
2. Humidity: no more than 85%
3. Action angle: 12-30/10-45/25-35/15-45 etc.
4. Stop angle: 70°
5. Number of contacts: two open and two closed
6. Reset method: automatic reset

Product Details



Product Parameteres:
| Name | Two-level deviation switch | Model | KPT1-12-30 |
| Action Angle | 12-30 | Action Angle | 25-35/15-45 etc. |
| Reset Method | Automatic | Action Angle | 10-45 |
| Relative Humidity | <85% | Ambient temperature | -35° -- +75° |
| No. of contacts | 2NO 2NC | Stop Angle | 70° |
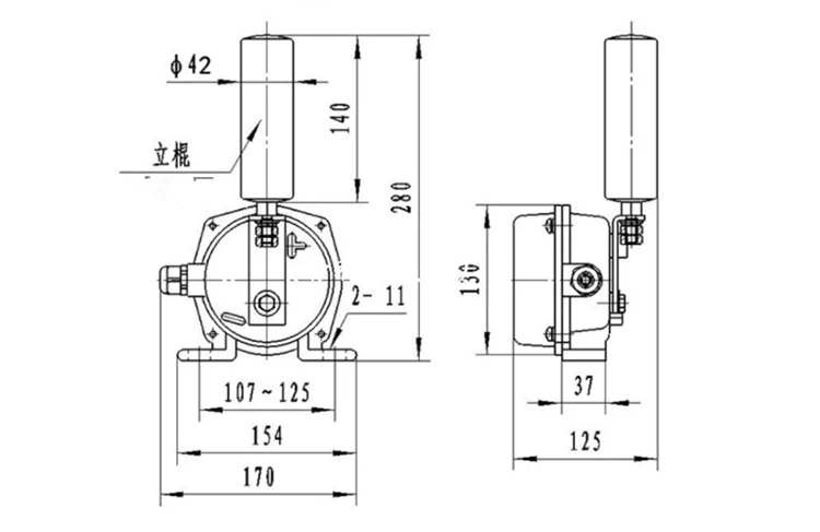
Product Size:

Product installation diagram:
Note:
1. The switch is installed on the rack fixing bracket in a balanced manner, and then welded on the tape rack;
2. The axis of the vertical stick is perpendicular to the side of the tape, and the distance between the vertical stick and the edge of the tape is 50mm-100mm;



New products from manufacturers at wholesale prices