Share on (1600411444003):


TYPE | DESCRIPTION |
Category | Discrete Semiconductor Products |
Transistors - IGBTs - Modules | |
Series | C |
Package | Tray |
Part Status | Active |
IGBT Type | Trench Field Stop |
Configuration | 2 Independent |
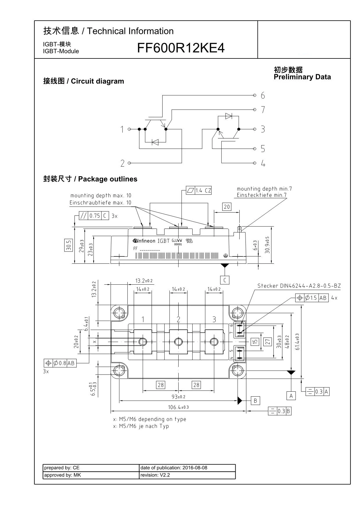
Voltage - Collector Emitter Breakdown (Max) | 1200 V |
Current - Collector (Ic) (Max) | 600 A |
Vce(on) (Max) @ Vge, Ic | 2.2V @ 15V, 600A |
Current - Collector Cutoff (Max) | 5 mA |
Input Capacitance (Cies) @ Vce | 38 nF @ 25 V |
Input | Standard |
NTC Thermistor | No |
Operating Temperature | -40°C ~ 150°C (TJ) |
Mounting Type | Chassis Mount |
Package / Case | Module |
Supplier Device Package | AG-62MM-1 |
Base Product Number | FF600R12 |
Unit Weight: | 12 oz |








New products from manufacturers at wholesale prices