Share on (1600412390635):


Features | Applications | ||
Excellent response to fast rising transients. | CATV equipment. | ||
Stable breakdown voltage. | Antennas | ||
GHz working frequency. | RS 485 | ||
8/20µs Impulse current capability:2KA. | Telecom Base Station | ||
Surface Mount package. | EV power Charging | ||
Non-Radioaactive. | Inverter/Variable | ||
Ultra Low capacitance(<0.5pF)and insertion loss. | Frequency Drivers(VFDs) | ||
Lead-free compliant. | IEEE 802.3compliant Ethernet interfaces | ||
UL497B Recognized:E465335. Very Small Size(EIA1812). | General telecom equipmen | ||
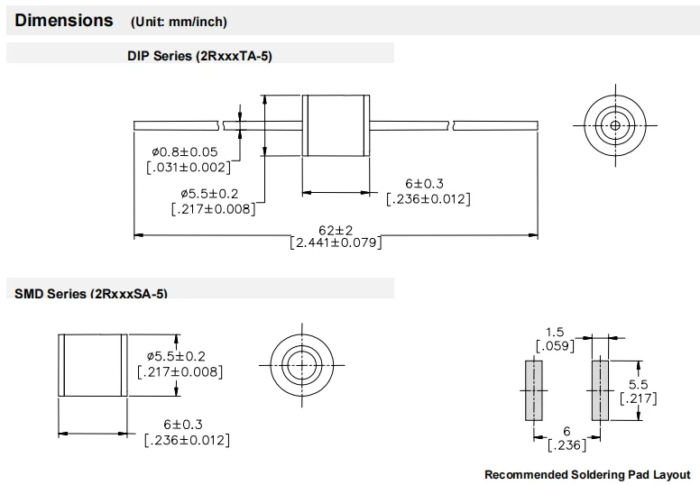
Size:5.5mm*6mm | xDSL,ADSL,ADSL2,VDSL,and VDSL2 | ||
Storage and operational temperature:-40~+90℃. | Medical Electronics | ||













New products from manufacturers at wholesale prices