Share on (1600415500800):
Power supply | 120/277VAC 50/60HZ |
Maximum load @-40°F~+158°F (40°C ~ +70°C) | Resistive/Halogen - 800W@120V/1200W@277V Fluorecent Ballast - 660W@120V/1200W@277V Electronic Ballast(LED/CFL) - 5A@120V/5A@277V |
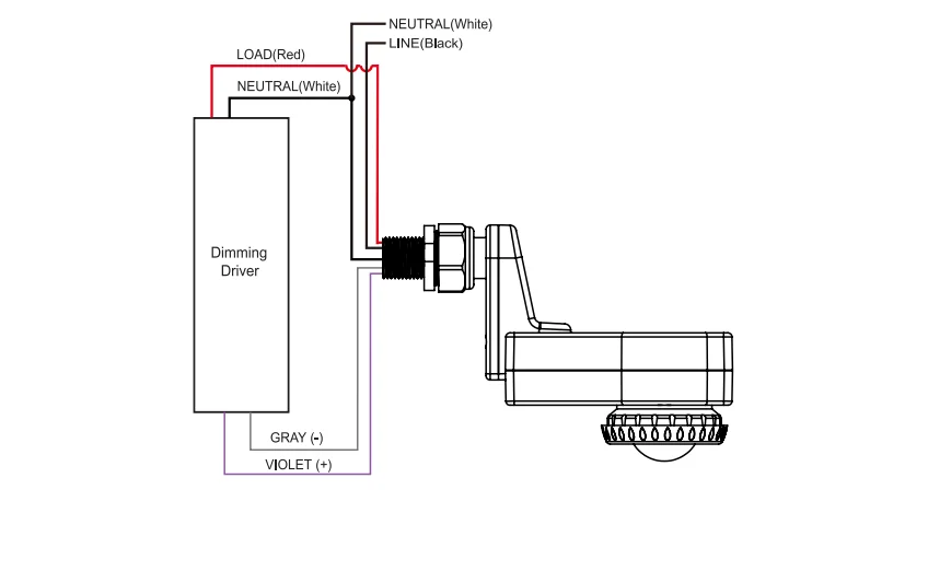
Dim control output | 0-10V, max. 25mA sinking current |
Protocol | Bluetooth Mesh |
Detect Area | 360°,maximum coverage 60' diameter from 40'height |
High mode | 0-10V; default 10V |
Low mode | Off, 0-9.8V; default 1V |
Operating Humidity | 20-90% |
IP rating | IP65 |
Temperature | -40°F~+158°F(-40°C~+70°C) |
























New products from manufacturers at wholesale prices