Share on (1600426377041):


● Semi-duplex communication, high interference immunity |
● ISM frequency, 2.401Ghz-2.52Ghz, it can be used without application |
● 100 channels are optional |
● Voltage: 2.3-3.5V, the max output power is 6dBm |
● Working current 21Ma |
● Sleep current 9.5Ua |
● Standard TTL level, UART serial port |
● The communication protocol conversion and RF switching are done automatically, and users do not need to intervene, easy to use |
● Communication rate 9.6 kbps |
● The max bytes each packet is 53 bytes |
● Viual range is up to 50m in open space without any interference |
● Small SMD package, convenient installation |
Pin | Name | Function | Description |
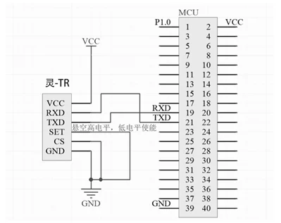
1 | VCC | Power supply | Power supply(2.3~3.5V)typical 3V |
2 | RXD | Data input(TTL) | Receive communication data |
3 | TXD | Data output(TTL) | Transmit communication data |
4 | SET | Setting | Configure parameter(Low level enable parameter configuration, it’s high level when floating |
5 | CS | Sleep | Work when the pin is connected to the low level, it's high level when floating |
6 | GND | Power supply | Ground |






New products from manufacturers at wholesale prices