Share on (1600428762187):






Performance | Maximum load capacity | kg | 1000/1500 | ||
with load center at | mm | 600 | |||
Travel speed without load/with load | km/h | 4.5/3.5 | |||
Lifting speed without load /with load | mm/s | 110/80 | |||
Lowered speed without load /with load | mm/s | 100/100 | |||
Ascend slope ability without load /with load | % | 7/4 | |||
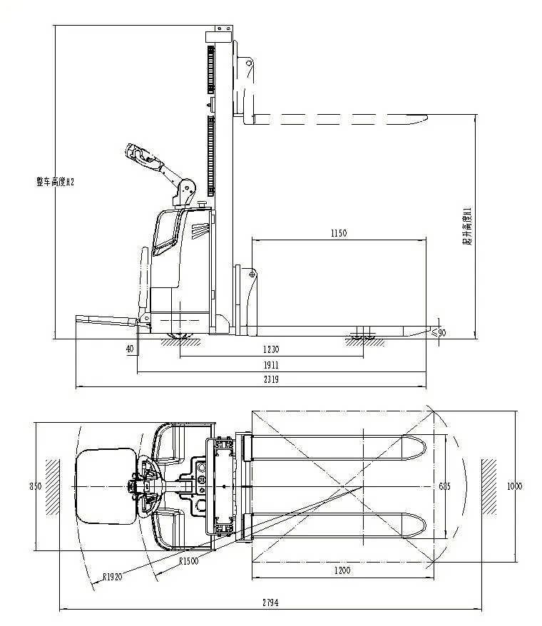
Dimensions | Overall length/width of frame(without platform) | mm | 1910/850 | ||
Wheelbase | mm | 1270 | |||
Fork size(length *width*thickness) | mm | 1080*165*65 | |||
Fork outside width | mm | 550/685 | |||
Min frounf height | mm | 30 | |||
Fork lowered height | mm | 90 | |||
Minimum turning radius | mm | 1920 | |||
Minimum intersecting aisie | mm | 2795 | |||
Tire | Front wheel | mm | 80*70 | ||
Drive wheel | mm | 210*70 | |||
Caster wheel | mm | 115*55 | |||
Electrical components | Drive motor Rated output/DC motor | kw | 0.75 | ||
Hoist motor Rated output/DC motor | kw | 2.2 | |||
battery | Voltag/Capacity | V/AH | 24/100 | ||
Weight | kg | 31*2 | |||
Mast Type | Max.Fork height | Mast Lowered | Mast Extended | Weight:kg | |
CDD10/15G | CDD10/15G | CDD10/15G | CDD10/15G | ||
Simplex Mast (2stage) | 1600 | 2080 | 2080 | 520/530 | |
2000 | 1580 | 2550 | 575/590 | ||
2500 | 1830 | 3050 | 610/620 | ||
3000 | 2080 | 3550 | 635/650 | ||











New products from manufacturers at wholesale prices