Share on (1600430661694):


♦
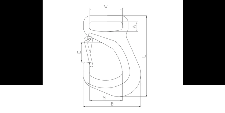
PRODUCT DESIGN DRAWING
SLR-090 G80 EYE WEBBING SLING HOOK

♦
PARAMETERS
| ITEM NO. | WEIGHT(Kg) | WLL(T) | B.L(T) | W±1 | M±2 | N±1 | B±2 | E±1 | L±2 | L±1 | K±2 |
| 8-SLR090-75mm | 2.1 | 2.75 | 11 | 23 | 81.5 | 40 | 141 | 45 | 194 | 14.5 | 144.5 |
♦ Notes ♦
1) Before each use, the operator must perform a safety inspection on the sling and use it only after being qualified;
2) The sling must be inspected regularly by professionals (trained qualified personnel) every month;
3) If it is found that the dimensional wear of the sling is greater than 5% of the original size, it must be replaced in time;
4) If it is found that the amount of dimensional deformation exceeds 3% of the original size, it must be replaced in time to ensure safety.


Forging or casting with high-quality raw materials
Strengthen source management and select high-quality materials.
Shandong Shenli Rigging is skilled at craftsman at heart.

Test piece by piece at 2.5 times working LOAD LIMIT
Every set of magical rigging must pass the standard test.
Thousands of roads, safety first, quality clearance is our first criterion.

Magnetic particle inspection for all products
Each set of magic rigging must be magnetic particle inspection.
Non-destructive testing Preventing trouble before it happens .
magnetic particle inspection makes you safe and secure.

♦
COMPANY PRODUCT DISPLAY AND PACKAGING

♦
COMPANY LIVE

♦
WORKSHOP EQUIPMENT

♦
CERTIFICATIONS

···
Authoritative certification Trustworthy
♦
COMPANY HONOR

Selling is just the beginning ...
Genuine security
The products sold from this store are genuine products of Shandong Shenli Rigging Co., Ltd. Please rest assured.
Color difference description
The product pictures in the product details page are used for store decoration. Please refer to the actual product for color and texture.
Shipping methods
In order to meet the different needs of everyone, please contact customer service to negotiate the transportation method of the goods.
Delivery time
In view of the particularity of the rigging industry, the surface of the product and the typing of the product itself must be customized at any time according to customer requirements.Please contact customer service for delivery time.
Other considerations
Scrap standards:
1) crack;
2) The wear on the dangerous section is 10% of the original size;
3) The opening degree is increased by 15% than the original size;
4) The torsional deformation of the hook body exceeds 10%;
5) Dangerous section of hook or plastic deformation of hook neck;
6) The size of the hook after the handle is corroded is less than 90% of the original size;
7) When the bushing bushing wear reaches 50% of the original size, the bushing should be replaced;
8) When the abrasion of the hook mandrel reaches 5% of the original size, the mandrel should be replaced.

| CONTACT US |
Tel: 0086-537-6988899
Fax: 0086-537-69888978/0086-537-6388979
Global Service Hotline:400-0537-777
Web:www.shenlirigging.com
Add: No. 9 Jiacheng Road, Jining Economic Development Zone, Jining City, Shandong Province, China.
New products from manufacturers at wholesale prices