Motor protection, AC contactor, magnetic motor, soft starter

Share on (1600432040271):


Price:

Quantity:


Product Overview

Description


Защита двигателя контактор переменного тока магнитный двигатель мягкий стартер



Основные продукты










Описание продукта:


ZJR2.jpg

































Устройство плавного пуска МодельНоминальная мощность (кВт)Номинальный ток (А)Размер контураРазмер установкиВес нетто
H1W1DH2W2D
ZJR2-3055/40555,511270145159245130M6<3,5

-2 - (1).pngQQ20200624154714.jpgZJR2 5.5kW-55kW1.jpg


Устройство плавного пуска Описание
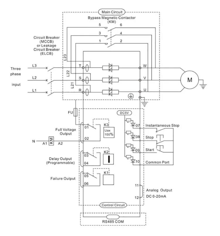
Мягкий стартер серии ZJR2 может работать с трехфазным асинхронным электродвигателем с клеткой переменного тока, напряжение 320 В ~ 460 В, 50 Гц/60 Гц и ток 1200А и ниже. Мягкий Стартер-это тип устройства. Необходимо добавить выключатели (защита от короткого замыкания) и контактор переменного тока (обход) внутри шкафа. Вместе с переключателями состоят из цепи управления электродвигателем.
Тип серии ZJR2 может работать без трехфазного переменного тока мотоцикла в процессе запуска слишком большого крутящего момента ускорения, и система питания играет защиту от чрезмерного урожая в динамическом ударе, И имеет следующие характеристики.


 


Основные характеристики для мягкого стартера серии ZJR2
1,16 SCM контроль, умный полностью цифровой дисплей
2. Может быть введен в действие мягкий стартер управления несколькими двигателями.
3. Режимы запуска: ограничитель тока стартер, запуск пандуса напряжения, стартовый Запуск + ограничитель тока, стартовый Запуск + Запуск пандуса напряжения. В настоящее время пандус начала. Запуск с двойным замкнутым циклом ограничения тока.
4. Свободная остановка и мягкая остановка, время остановки от 0 до 60 секунд может быть произвольным выбором.
5. Перегрузка по току, перегрузка, открытая фаза, мгновенная остановка и другая защита от неисправностей. С потоком, перегрузкой, фазой отсутствия, мгновенной остановкой и другой защитой от неисправностей.
6. Простая установка, простая эксплуатация, сильная функция и разумные цены.
7.5.5 KW-75KW мягкий стартер также имеет встроенный шунтирующий контактор. Но фабрика по умолчанию не имеет встроенного шунтирующего контактора. Клиенты должны подтвердить это после подтверждения заказа.





Устройство плавного пуска


Soft Starter Application.jpg





Сопутствующие товары






















Преимущество компании


2_07.jpg





Упаковка & Доставка


ZJR2 Soft starter 5.5-55kW.jpg


ZJR2 Soft starter 75kW-600kW.jpgziri(1).jpg




0.1633 s.