Share on (1600449308568):
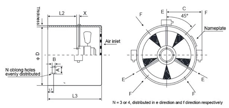
G series variable frequency motor fan is composed of fan cover,fan motor,fan blade,carriage,etc
Voltage and frequency
This fan can be done single and three phase,wide voltage,double frequency to meet the requirements of different countries.
Operating limits
Max altitude:1000M
Temperature: -15~+40℃
Relative humidity: ≤90%
Duty type:S1
Protection Class:IP55/IP56
Parameters of air ventilation










Q: What is the MOQ?
A: 50 pieces.
Q: Could I buy a sample before place the order?
A: Yes,lt is OK. Welcome your samples order.
Q: What is way of Payment?
A: L/C.T/T.Western Union.Pavpal(Just choose which one is best for you)
Q: The model of transportation?
A: FOB Ningbo or Shanghai.
Q: What is the best price?
A: Give me a inquiry or chat with me online,please.Then I will give you best answer.
New products from manufacturers at wholesale prices