Share on (1600460655133):

Material | Standard | Character | Application | ||||||
GB | JIS | ASTM/SAE | DIN | ||||||
Corrosion resistant Stainless steel | 1Cr17Mn6Ni5N | SUS201 | 201 | X12CrMnNiN17-7-5 | The nickel content is small, which does not meet the salt spray test requirements. | Used for Craft springs | |||
1Cr18Mn8Ni5N | SUS202 | 202 | X12CrMnNiN17-7-5 | ||||||
1Cr17Ni7 | SUS301 | 301 | X12CrNi17-07 | These materials are Acid and alkali resistant, high temperature resistant. Widely used for springs production. | Suitablef or Electronics, electrical appliances, daily necessities tools, locks, toys, etc., and other various products | ||||
1Cr18Ni9 | SUS302 | 302 | |||||||
0Cr18Ni9 | SUS304 | 304 | X5CrNi18-10 | ||||||
2Cr13 | SUS420 | 420 | X20Cr13 | ||||||
07Cr17Ni7Al | SUS631 | SAE17-7 | X7CrNiAL17.7 | ||||||
GH145/GH4145 | NCF750 | InconelX-750 | NiCr15Fe7TiAl | It has good corrosion and oxidation resistance below 980℃, High strength below 800℃, Good relaxation resistance below 540℃ | Mainly used in the manufacture of aero-engines that work below 800°C and require high-strength corrosion resistance. | ||||














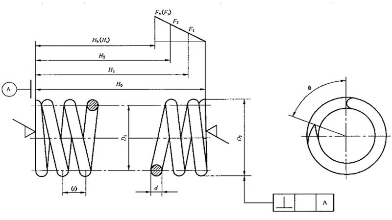
d: Wire diameter | Direction of the coil | H1:Initial loaded length | |||
t: Pitch | Coils number | H2:Max loaded length | |||
Ho: Free length | Ends | H3: Solid length | |||
D1: Inner diameter | Material | ||||
D2: Outer diamer | Surface treatment |
New products from manufacturers at wholesale prices