Harmonic Drive Reducer with Nema17 1.8 Degree 2 Phase Stepper Motor

Share on (1600466931487):


Price:

Quantity:


Product Overview

Description



Product Description






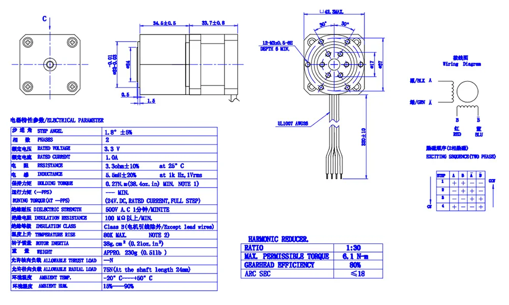
Specification


item
value
Warranty
Other
Place of Origin
Shanghai, China
Brand Name
Robotdigg
Model Number
SM17-48HD
Phase
2
Type
Hybrid
Motor Size
Nema17


Packing & Delivery




Company Profile




JUGETEK linear stepper motor manufacturer. Pulleys, belts, linear bearings RobotDigg's sole distributor and has professionals in industries for Bill of Materials.


FAQ


1. who are we?
We are based in Shanghai, China, start from 2014,sell to North America(30.00%),Domestic Market(10.00%),Eastern Europe(10.00%),Western Europe(10.00%),Oceania(8.00%),Northern Europe(8.00%),Eastern Asia(7.00%),Southeast Asia(7.00%),Mid East(3.00%),South America(3.00%),Central America(2.00%),Africa(1.00%),South Asia(1.00%). There are total about 11-50 people in our office.

2. how can we guarantee quality?
Always a pre-production sample before mass production;
Always final Inspection before shipment;

3.what can you buy from us?
Linear Stepper,Pulley n Belt,Linear Rail,Stepper n Servo Motor,Linear Bearing

4. why should you buy from us not from other suppliers?
JUGETEK linear stepper motor manufacturer. Pulleys, belts, linear bearings RobotDigg's sole distributor and has professionals in industries for Bill of Materials.

5. what services can we provide?
Accepted Delivery Terms: FOB,CIF,EXW;
Accepted Payment Currency:USD;
Accepted Payment Type: T/T;
Language Spoken:English,Chinese


0.2191 s.