Share on (1600470386919):
10kV Current Transformer Core Current Transformer Core Enclosed type 10kv transformer
10kV Current Transformer Core Summary
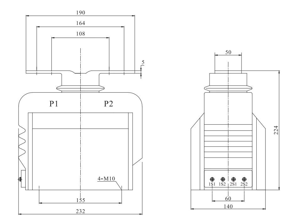
The current transformer of is casting resin, fully enclosed and post type product. It is used for metering electric energy and current, relay protection in the electrical system It conforms to the standards IEC44-1 and GB20840.2-2014.
Current Transformer Core Structure
This type of current transformer is fully enclosed and post type. It has a good ability of insulation, moisture proof and antipollution. Ii is small and light. It can be installed at any place and any direction.
10kV Current Transformer Core Current Transformer Core Enclosed type 10kv transformer
Enclosed type 10kv transformer Technical parameter
1, Rated insulation level: 12/42/75kV;
2, Rated secondary current: 5A,1A;
3, Refer to the table for rated primary current, accuracy classes combination, rated output, rated dynamic and thermal current.
4, The conditions of partial discharge test is in line with GB20840.2-2014 current transformer.
5, Antipollution class: Ⅱclass
Model | Rated primary current(A) | Accurate grade combination | Rated secondary Output(VA) | Rated short time thermal-current (kA virtual value) | Rated dynamic stability current (kA virtual value) | ||
0.2 | 0.5 | 10P10 | |||||
LFS-10 (LZZB-10) | 5-200 | 0.2/0.2 0.5/0.5 0.2/0.5 0.2/10P10 0.5/10P10 | 10 | 10 | 15 | 8011N | 20011N |
300 | 21 | 50 | |||||
400 | 24 | 60 | |||||
600 | 30 | 70 | |||||
800 | 40 | 75 | |||||
1000 | |||||||
Technical parameter




Pictures of factory







New products from manufacturers at wholesale prices