Share on (1600488000258):



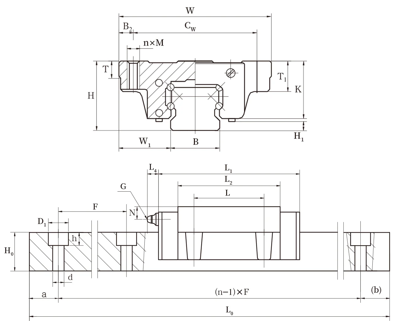
GGB type parameter | ||||||||||||||||||
Spec. | 16AA | 20AA 20AAL | 25AA 25AAL | 30AA 30AAL | 35AA 35AAL | 45AA 45AAL | 55AA 55AAL | 65AA 65AAL | 85AA 85AAL | |||||||||
H | 24 | 30 | 36 | 42 | 48 | 60 | 70 | 90 | 110 | |||||||||
W1 | 15.5 | 21.5 | 23.5 | 31 | 33 | 37.5 | 43.5 | 53.5 | 65 | |||||||||
K | 19.4 | 25.4 | 30.5 | 35 | 40 | 49 | 57 | 76 | 94 | |||||||||
W | 47 | 63 | 70 | 90 | 100 | 120 | 140 | 170 | 215 | |||||||||
L1 | 58.5 | 75.3 90 | 85 104.6 | 97 119 | 112.2 138.2 | 137 165 | 161 199 | 199 259 | 247 304 | |||||||||
CW | 38 | 53 | 57 | 72 | 82 | 100 | 116 | 142 | 185 | |||||||||
L | 30 | 40 | 45 | 52 | 62 | 80 | 95 | 110 | 140 | |||||||||
M | M5 | M6 | M8 | M10 | M10 | M12 | M14 | M16 | M20 | |||||||||
T | 7 | 8 | 8 | 10 | 10 | 15 | 20 | 23 | 30 | |||||||||
T1 | 11 | 10 | 14 | 18 | 18 | 25 | 29 | 37 | 55 | |||||||||
B2 | 4.5 | 5 | 6.5 | 9 | 9 | 10 | 12 | 14 | 15 | |||||||||
L2 | 40.5 | 50.5 65.2 | 59 78.6 | 70.6 92 | 80.8 105.8 | 102.8 130 | 118 156 | 147 207 | 179 236 | |||||||||
H1 | 4.5 | 4.6 | 5.5 | 5.5 | 8 | 9 | 11 | 12 | 12 | |||||||||
B | 16 | 20 | 23 | 28 | 34 | 45 | 53 | 63 | 85 | |||||||||
H0 | 15 | 17.5 | 22 | 26 | 29 | 38 | 44 | 53 | 65 | |||||||||
dxD1xh | 4.5x7.5x5.3 | 6x9.5x8.5 | 7x11x9 | 9x14x12 | 9x14x12 | 14x20x17 | 16x23x20 | 18x26x22 | 24x35x28 | |||||||||
F | 60 | 60 | 60 | 80 | 80 | 105 | 120 | 150 | 180 | |||||||||
Max. single length Lmax | 1200 | 3000 | 6000 | 6000 | 6000 | 6000 | 6000 | 6000 | 6000 | |||||||||
a | 10 | 10 | 10 | 15 | 15 | 15 | 15 | 20 | 20 | |||||||||
L4 | 7 | 11 | 11 | 11 | 11 | 14 | 14 | 14 | 14 | |||||||||
G | M4 | M6 | M6 | M6 | M6 | M8x1 | M8x1 | M8x1 | M8x1 | |||||||||
N | 4 | 6 | 6 | 7 | 9 | 12 | 12 | 12 | 14 | |||||||||
Dynamic Load rating C(kN) | 8.5 | 17.7 21.2 | 26.5 32.7 | 34.9 42.7 | 49.5 60.2 | 74.8 91.4 | 115.3 143.1 | 191.8 249.1 | 247.9 351.5 | |||||||||
Static Load rating C0(kN) | 13.4 | 25.3 33.7 | 36.4 48.6 | 49.6 66.1 | 64.8 86.4 | 101.2 134.9 | 147.2 200.8 | 237.5 345.4 | 371.1 472.3 | |||||||||
Block Weight kg | 0.17 | 0.4 0.52 | 0.59 0.8 | 1 1.3 | 1.56 2.06 | 2.4 3.1 | 4.3 5.8 | 7.3 10.7 | 16.5 22.2 | |||||||||
Rail Weight kg/m | 1.62 | 2.21 | 3.21 | 4.7 | 6.3 | 11.2 | 15 | 22.2 | 35.5 | |||||||||





New products from manufacturers at wholesale prices